首页 产品展示>康明斯QXS QSK15发动机故障代码428

康明斯QXS QSK15发动机故障代码428

康明斯QXS QSK15发动机故障代码428供应商,康明斯QXS QSK15发动机故障代码428技术价格规格咨询服务,康明斯QXS QSK15发动机故障代码428零配件供应,康明斯QXS QSK15发动机故障代码428售后服务中心,康明斯QXS QSK15发动机故障代码428,康明斯QXS QSK15发动机故障代码428详细的技术参数,
产品咨询

详细描述

故障代码 428

燃油含水(WIF)传感器电路

概述

代码

故障原因

产生后果

故障代码: 428
PID: P097
SPN: 97
FMI: 3/3
指示灯: 黄色
SRT: 

燃油含水(WIF)传感器电路检测到高电压。

对性能没有影响。

燃油含水(WIF)传感器电路

SMALL | MEDIUM | LARGE

电路描述

燃油含水 (WIF) 传感器固定在燃油滤清器上。当燃油滤清器中的水积累到某一设定体积时,燃油含水传感器向电子控制模块(ECM)发送信号。燃油含水电路包括两根导线:回路接地导线(触针 10)和信号导线(触针 9)。

部件位置

燃油含水传感器安装在燃油滤清器中,位于靠近发动机中部的缸盖侧。

大修提示

此故障代码可能的原因包括:与 (+) 5-VDC 电源线间短路。

故障代码 429

燃油含水(WIF)传感器电路

概述

代码

故障原因

产生后果

故障代码: 429
PID: P097
SPN: 97
FMI: 4/4
指示灯: 黄色
SRT: 

在燃油含水(WIF)传感器电路上检测到低电压。

对性能没有影响。

燃油含水(WIF)传感器电路

SMALL | MEDIUM | LARGE

电路描述

燃油含水 (WIF) 传感器固定在燃油滤清器上。当燃油滤清器中的水积累到某一设定体积时,燃油含水传感器向电子控制模块(ECM)发送信号。燃油含水电路包括两根导线:回路接地导线(触针 10)和信号导线(触针 9)。

部件位置

燃油含水传感器安装在燃油滤清器中,位于靠近发动机中部的缸盖侧。

大修提示

燃油含水传感器与发动机线束上的传感器使用相同的内部 ECM 电源。如果故障代码 352 也起作用,使用故障诊断逻辑和树。

故障代码 431

怠速有效开关电路

概述

代码

故障原因

产生后果

故障代码: 431
PID: S230
SPN: 558
FMI: 2/2
指示灯: 黄色
SRT: 

在怠速有效非怠速与怠速信号触针上没检测到电压。

对性能没有影响。

怠速有效开关电路

SMALL | MEDIUM | LARGE

电路描述

电子控制模块(ECM)利用怠速有效开关来显示油门踏板是处于释放(怠速)还是踩下(非怠速)状态。开关在制造厂要进行调整,以使在怠速到非怠速之间切换时油门踏板处在正确的位置。

部件位置

整体式传感器开关(ISS)安装在油门踏板总成上。

大修提示 该故障代码通常是由于接头松动、油门踏板未标定或怠速有效开关接线错误等原因导致。 与非整体式传感器开关(NISS)(10 欧姆)相比,整体式传感器开关(ISS)有不同的怠速有效开关(IVS)电阻技术规范(125 欧姆)。
故障代码 431

怠速有效开关电路

概述

代码

故障原因

产生后果

故障代码: 431
PID: P091
SPN: 91
FMI: 2/2
指示灯: 黄色
SRT: 

在怠速有效非怠速和怠速信号触针上同时检测到电压。

对性能没有影响。

怠速有效开关电路

SMALL | MEDIUM | LARGE

电路描述

电子控制模块(ECM)利用怠速有效开关来显示油门踏板是处于释放(怠速)还是踩下(非怠速)状态。开关在制造厂要进行调整,以使在怠速到非怠速之间切换时油门踏板处在正确的位置。

部件位置

非整体式传感器开关(NISS)安装在油门踏板总成上。

大修提示 该故障代码通常是由于接头松动、油门踏板未标定或怠速有效开关接线错误等原因导致。 与非整体式传感器开关(ISS)(10 欧姆)相比,整体式传感器开关(ISS)有不同的怠速有效开关(IVS)电阻技术规范(125 欧姆)。
故障代码 432

油门踏板电路

概述

代码

故障原因

产生后果

故障代码: 432
PID: S230
SPN: 558
FMI: 13/13
指示灯: 红色
SRT: 

当油门位置电路上的电压指示踏板不在怠速位置时,在怠速有效怠速电路上检测到电压;或当油门位置电路上的电压指示踏板在怠速位置时,在怠速有效非怠速电路上检测到电压。

发动机只能怠速运转。

油门踏板电路

SMALL | MEDIUM | LARGE

电路描述

油门踏板总成把驾驶员请求的油门百分比发送到电子控制模块(ECM)。

部件位置

油门位置传感器位于油门踏板上。

大修提示

确定怠速有效开关(IVS)已正确标定。有关调整信息,请使用油门踏板制造商的说明。

故障代码 433

进气歧管压力电路

概述

代码

故障原因

产生后果

故障代码: 433
PID: P102
SPN: 102
FMI: 2/2
指示灯: 黄色
SRT: 

进气歧管压力电路上的电压信号指示进气歧管压力高,而其它发动机特性却指示进气歧管压力必定低。

功率下降到无空气设置功率。

进气歧管压力电路

SMALL | MEDIUM | LARGE

电路描述

进气歧管压力/温度传感器监测进气歧管压力并通过传感器线束将信息传输至电子控制模块(ECM)。当发动机负荷为 5% 时,如果进气歧管压力超过 127 mm Hg [5 in Hg] 20 秒以上,将会导致功率降低。

部件位置

进气岐管压力/温度传感器位于进气管和发动机前部之间的缸盖上。

大修提示

ECM仅在发动机转速超过设定怠速转速 50 rpm 时,才检查该故障。如果此时显示的进气歧管压力太高,ECM 将记录此故障代码。

故障代码 434

无开关蓄电池电源电路

概述

代码

故障原因

产生后果

故障代码: 434
PID: S251
SPN: 627
FMI: 2/2
指示灯: 黄色
SRT: 

电子控制模块 (ECM) 的电源电压在很短的时间内降低至低于(+)6.2 VDC 或者 ECM 不能正常断电(在钥匙开关断开后的 30 秒内仍然有蓄电池电压)。

可能无显著的性能影响、发动机熄火,或起动困难。故障信息、行程信息、以及维护保养监测数据不准确。

无开关蓄电池电路

SMALL | MEDIUM | LARGE

电路描述

通过直连蓄电池正极 (+) 接线柱的无开关蓄电池导线,ECM 获得稳定的电压。为保护发动机线束以防过热,在无开关蓄电池导线上有两个串联的 15 安保险丝。当车辆钥匙开关接通时,ECM 通过车辆钥匙开关导线,以及一个 5-安保险丝接收开关控制的蓄电池输入。蓄电池回路导线直接与蓄电池负极接线柱相连。

部件位置

ECM 通过 OEM 线束连接到蓄电池。此直接线路向 ECM 持续供电。蓄电池位置因 OEM 的不同而不同。使用《OEM 维修手册》。

大修提示

如果 ECM 无开关蓄电池电源由起动马达供电,检查起动期间电压是否过低。起动期间电压低可能引起 ECM 电源下降到技术规范以下并记录故障代码 434。

故障代码 435

机油压力传感器

概述

代码

故障原因

产生后果

故障代码: 435
PID: P100
SPN: 100
FMI: 2
指示灯: 黄色
SRT: 

ECM 检测到机油压力传感器信号发生错误。

不会降低性能;对于机油压力无发动机保护。

部件位置

机油压力/温度传感器位于燃油滤清器左侧、空气压缩机后侧的发动机缸体上。

大修提示

钥匙开关接通时,比较来自大气压力传感器、进气歧管压力传感器和机油压力传感器的大气压力读数。如果机油压力传感器读数与另外两个读数不同,会产生此故障代码。

故障代码 441

无开关蓄电池电源电路

概述

代码

故障原因

产生后果

故障代码: 441
PID: P168
SPN: 168
FMI: 1/18
指示灯: 黄色
SRT: 

蓄电池电压低于正常工作水平。

可能不会明显影响性能,或可能怠速不稳。

无开关蓄电池电源电路

SMALL | MEDIUM | LARGE

电路描述

电子控制模块(ECM)通过 OEM 线束获得无开关蓄电池输入。为保护发动机线束以防过热,在 OEM 线束的无开关蓄电池导线上有两个串联 15 安保险丝。蓄电池回路导线直接与蓄电池负极接线柱相连。

部件位置

ECM 通过 OEM 线束连接到蓄电池。此直接线路向 ECM 持续供电。有关蓄电池位置,请使用《OEM 故障诊断与排除手册》。

大修提示

确保 ECM 的无开关蓄电池电源直接来自蓄电池而不是起动马达。

故障代码 442

无开关蓄电池电源电路

概述

代码

故障原因

产生后果

故障代码: 442
PID: P168
SPN: 168
FMI: 0/16
指示灯: 黄色
SRT: 

蓄电池电压高于正常工作水平。

对性能没有影响。

无开关蓄电池电源电路

SMALL | MEDIUM | LARGE

电路描述

电子控制模块(ECM)通过 OEM 线束获得无开关蓄电池输入。为保护 OEM 线束以防过热,在无开关蓄电池导线上有两个串联 15 安保险丝。蓄电池回路导线直接与蓄电池负极接线柱相连。

部件位置

ECM 通过 OEM 线束连接到蓄电池。此直接线路向 ECM 持续供电。有关蓄电池位置,请使用《OEM 故障诊断与排除手册》。

大修提示

从蓄电池电源电路上断开所有的售后市场设备。确保使用的保险丝规格正确(15 安保险丝)。

故障代码 443

油门电源电压

概述

代码

故障原因

产生后果

故障代码: 443
PID: S221
SPN: 1043
FMI: 4/4
指示灯: 黄色
SRT: 

在与节气门连接的电子控制模块(ECM)电源线路上检测到低电压。

发动机只能怠速运转。

油门电源电路

SMALL | MEDIUM | LARGE

电路描述

ECM 向油门和远程油门提供 5 VDC 电源。如果任何油门电源线路损坏,油门将不能正常工作。

部件位置

油门踏板位于驾驶室内。

有关远程油门的位置,请使用《OEM 故障诊断与排除手册》。

大修提示

5 VDC 电源线路上的电压偏低可能是由于电源线路对地短路、电源导线或回路导线之间短路、油门故障或 ECM 电源故障造成的。

故障代码 449

燃油压力高

概述

代码

故障原因

产生后果

故障代码: 449
PID: P094
SPN: 94
FMI: 0/16
指示灯: 黄色
SRT: 

燃油压力传感器检测到供油压力过大。

发动机可能冒黑烟或其运行功率会降低。

液压燃油系统回路

SMALL | MEDIUM | LARGE

电路描述

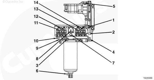
齿轮泵将燃油通过燃油滤清器和防回流阀从油箱中吸出。齿轮泵形成 100 至 320 psi 的燃油压力.燃油流过燃油滤清器滤网和燃油切断阀,流向供油和正时执行器与燃油压力传感器。250 psi 调节器控制燃油压力。

部件位置

液压燃油系统回路插图编号

1

320-psi 压力调节器

5

快卸压力表接口 - 吸油侧

9

燃油压力传感器

13

后正时执行器

2

36-mc滤网

6

WIF 传感器

10

快卸压力表接口 - 压力侧

14

后油轨执行器

3

燃油进油阻力传感器

7

250-psi 压力调节器

11

前油轨执行器

 

 

4

燃油进口

8

燃油切断阀

12

前正时执行器

 

 

250 psi 调节器控制燃油压力。所有部件都位于发动机的进气侧的燃油输送壳上。

大修提示

ECM 监测燃油压力。如果燃油压力不在可接受范围内,将激活该故障代码。INSITE™ 监测屏幕上显示的 Minimum Fuel Pressure(最小燃油压力)和 Maximum Fuel Pressure(最大燃油压力)表示燃油压力可接受的范围。对于较大的差异故障将很快记录,而对于较小的差异故障记录会更慢些。

故障代码 451

前油轨压力传感器电路

概述

代码

故障原因

产生后果

故障代码: 451
PID: P157
SPN: 157
FMI: 3/3
指示灯: 黄色
SRT: 

在前油轨压力传感器电路上检测到高电压。

发动机的运行功率会降低。

前油轨压力传感器电路

SMALL | MEDIUM | LARGE

电路描述

前油轨压力传感器将油轨压力信号提供给电子控制模块(ECM)。

部件位置

前油轨压力传感器位于燃油输送壳体的前部。

大修提示

此故障可能由对 (+)5 VDC 或 (+)12 VDC 短路的回路导线或信号导线、回路导线开路,或传感器故障而引起。

故障代码 452

前油轨压力传感器电路

概述

代码

故障原因

产生后果

故障代码: 452
PID: P157
SPN: 157
FMI: 4/4
指示灯: 黄色
SRT: 

在前油轨压力传感器电路上检测到低电压。

发动机的运行功率会降低。

前油轨压力传感器电路

SMALL | MEDIUM | LARGE

电路描述

前油轨压力传感器将油轨压力信号提供给电子控制模块(ECM)。

部件位置

前油轨压力传感器位于燃油输送壳体的前部。

大修提示

此故障代码可能是由于信号导线短路、电源导线对地短路、电源导线开路、信号导线开路、传感器故障或 ECM 电源故障而引起。

故障代码 452

前油轨压力传感器电路

概述

代码

故障原因

产生后果

故障代码: 452
PID: P157
SPN: 157
FMI: 4/4
指示灯: 黄色
SRT: 

在前油轨压力传感器电路上检测到低电压。

发动机的运行功率会降低。

前油轨压力传感器电路

SMALL | MEDIUM | LARGE

电路描述

前油轨压力传感器将油轨压力信号提供给电子控制模块(ECM)。

部件位置

前油轨压力传感器位于燃油输送壳体的前部。

大修提示

此故障代码可能是由于信号导线短路、电源导线对地短路、电源导线开路、信号导线开路、传感器故障或 ECM 电源故障而引起。

故障代码 465

1 号废气旁通阀执行器电路

概述

代码

故障原因

产生后果

故障代码: 465
PID: S032
SPN: 1188
FMI: 3/3
指示灯: 黄色
SRT: 

当发动机控制模块 (ECM) 没有提供电压时,在 1 号废气旁通阀执行器电路上检测到高电压。

发动机的运行功率会降低。

1 号废气旁通阀执行器电路

SMALL | MEDIUM | LARGE

电路描述

废气旁通阀执行器是 ECM 用来控制增压压力的装置。

部件位置

废气旁通阀控制器安装在进气喇叭口上。1 号执行器是控制器上最靠后的电磁阀。

大修提示

可能产生此故障代码的原因有:

线束对电源短路 线束、接头或废气旁通阀控制阀内开路 废气旁通阀执行器电磁阀安装不当。
故障代码 466

1 号废气旁通阀执行器电路

概述

代码

故障原因

产生后果

故障代码: 466
PID: S032
SPN: 1188
FMI: 4/4
指示灯: 黄色
SRT: 

当 1 号废气旁通阀执行器电路启用时检测到电路电压小于 (+) 6 VDC,表示发动机控制模块 (ECM) 电流消耗过大或 ECM 输出电路故障。

发动机的运行功率会降低。

1 号废气旁通阀执行器电路

SMALL | MEDIUM | LARGE

电路描述

废气旁通阀执行器是 ECM 用来控制增压压力的装置。

部件位置

废气旁通阀控制器安装在进气喇叭口上。1 号执行器是控制器上最靠后的电磁阀。

大修提示 检查发动机缸体至底盘接地导线,确认其牢固连接到清洁的干燥表面。 检查起动马达电磁阀正极(+)端子有无松动的接头或附件导线绝缘皮有无损坏。 低电压可能是因为对地短路、与线束中其它导线短路,或电磁阀线圈短路。 检查 1 号废气旁通阀执行器电路有无可向其它设备分接供电的外部导线。将电路中所有多余的导线拆下。
故障代码 469

ICON™ 驾驶室节温器电路

概述

代码

故障原因

产生后果

故障代码: 469
PID: S215
SPN: 614
FMI: 2/2
指示灯: 黄色
SRT: 

ICON™ 驾驶室节温器已经记录了一个故障(在节温器上显示为 E3)或至电子控制模块 (ECM) 的驾驶室节温器信号丢失。

在 20 分钟运转和 15 分钟停机期间 E3 使发动机轮转一圈,否则不能在驾驶室舒适模式下自动起动发动机。ICON™ 不会停用。发动机模式仍起作用。

ICON™ 驾驶室节温器电路

SMALL | MEDIUM | LARGE

电路描述

驾驶室节温器用来控制驾驶室温度,包括加热和制冷。它要求在驾驶室舒适模式下运行。节温器与 ECM 通信以指令为维持驾驶室温度何时需要自动起动发动机。同样,节温器与钥匙开关相连以检测点火开关何时打开。

部件位置

驾驶室节温器安装在双层卧铺区域,在卧铺上部的墙壁上。有关准确的位置,请使用相应的 OEM 手册。

大修提示

E3 指示下列情况之一发生:

发动机运转超过 45 分钟且大气温度在 0 到 100°F(可调节温器调整 01 和 02),或驾驶室节温器在自动关闭的 10 分钟内请求起动发动机,大气温度在 0 到 100°F。E3 会指示对节温器的潜在干扰。例如在夏天(78°F 环境温度),用户可以将节温器设置为加热模式,设置点温度为 75°F,而将卡车气候控制装置设置为最大冷却。

该卡车将只冷却到 75°F 以下,在记录 E3 之前运行 45 分钟。在将发动机起动 20 分钟然后关闭 15 分钟期间,可通过节温器进行 E3 故障效果的调整,否则将不执行自动起动。

故障代码 472

曲轴箱机油油位传感器电路

概述

代码

故障原因

产生后果

故障代码: 472
PID: S017
SPN: 1380
FMI: 2/2
指示灯: 维护保养
SRT: 

电子控制模块(ECM)在曲轴箱机油油位传感器电路上检测到高电压或低电压。

对性能没有影响。Centinel™ 系统停用。

曲轴箱机油油位传感器电路

SMALL | MEDIUM | LARGE

电路描述

ECM 通过曲轴箱机油油位传感器监测机油油位。ECM 监测信号触针上的电压并将它转换成电子数值。ECM 在发动机保护系统中使用机油油位值。

部件位置

机油油位传感器安装在发动机排气侧的油底壳上。

大修提示

低电压可由信号线开路、信号线对地短路、电源线对地短路、电源线开路或传感器故障等原因导致。

高电压可由信号线与线束中其它导线短路、回路导线开路或传感器故障等原因导致。

故障代码 474

起动马达电磁阀锁定继电器驱动电路

概述

代码

故障原因

产生后果

故障代码: 474
PID: S237
SPN: 1321
FMI: 2/2
指示灯: 黄色
SRT: 

当指令为 (+)12 VDC 时检测到低电压或当指令无电压时检测到电压。

发动机即不能启动,发动机也不具有起动马达锁定保护。

起动马达电磁阀锁定继电器电路

SMALL | MEDIUM | LARGE

电路描述

电子控制模块(ECM)通过起动马达电磁阀锁定继电器驱动电路来驱动该电磁阀,发动机运转时,该电磁阀电动隔离起动马达继电器。

部件位置

有关准确的位置,请使用 OEM 示意图。

故障代码 475

电子空气压缩机调速器电路

概述

代码

故障原因

产生后果

故障代码: 475
PID: S089
SPN: 1351
FMI: 4/4
指示灯: 黄色
SRT: 

当期望得到高电压时,却在电子空气压缩机电路上检测到低电压。

空气压缩机不能关闭。

电子空气压缩机调速器电路

SMALL | MEDIUM | LARGE

电路描述

电子空气压缩机调速器是电子控制模块(ECM)用来控制空气压缩机输出的装置。

部件位置

电子空气压缩机调速器安装在空气压缩机的顶部。

大修提示 检查发动机缸体至底盘接地导线,确认其牢固连接到清洁干燥的导体表面。 检查起动马达电磁阀正极(+)端子有无松动的接头或附件导线绝缘皮有无损坏。 低电压可由对地短路、与线束中其它导线短路或电磁阀线圈短路等原因导致。 电子空气压缩机调速器上要求有电压才能关闭压缩机。无压缩机开启电压。
故障代码 476

电子空气压缩机调速器电路

概述

代码

故障原因

产生后果

故障代码: 476
PID: S089
SPN: 1351
FMI: 3/3
指示灯: 黄色
SRT: 

在电子空气压缩机调速器执行器电路上检测到高电压或开路。

空气压缩机连续运转或根本不运转。

电子空气压缩机调速器电路

SMALL | MEDIUM | LARGE

电路描述

电子空气压缩机调速器是电子控制模块(ECM)用来控制空气压缩机输出的装置。

部件位置

空气压缩机调速器执行器安装在空气压缩机的顶部。

大修提示

高电压可能是因为与蓄电池或者线束中其它导线短路。

电子空气压缩机调速器上要求有电压才能关闭压缩机。无压缩机开启电压。

故障代码 482

燃油压力低 - 数据有效但低于正常工作范围(中等严重级别)

概述

代码

故障原因

产生后果

故障代码: 482
PID: P094
SPN: 94
FMI: 1/18
指示灯: 黄色
SRT: 

燃油压力低 - 数据有效但低于正常工作范围 - 中等严重级别。燃油压力传感器检测到供油压力低。

发动机不能起动、功率低 、可能冒白烟或者运行粗暴。

燃油系统回路

SMALL | MEDIUM | LARGE

电路描述

齿轮泵将燃油通过燃油滤清器和防回流阀从油箱中吸出。齿轮泵形成高达 2206 kPa [320 psi]的燃油压力.燃油流过燃油滤清器滤网和燃油切断阀,流向供油和正时执行器与燃油压力传感器。

部件位置

1724 kPa [250 psi]调节器控制燃油压力。所有部件都位于发动机的进气侧的燃油输送壳上。

大修提示

燃油压力由电子控制模块(ECM)监测。如果燃油压力不在可接受范围内,将激活该故障代码。INSITE™ 服务软件监视屏上显示 Fuel Pressure Lower Limit(燃油压力下极限)和 Fuel Pressure Upper Limit(燃油压力上极限),表示燃油压力可接受范围的上、下极限。压力差异太大时,会快速记录故障,而压力差异小时,会缓慢记录故障。

故障代码 483

后燃油油轨压力传感器电路

概述

代码

故障原因

产生后果

故障代码: 483
PID: P129
SPN: 1349
FMI: 3/3
指示灯: 黄色
SRT: 

检测到后油轨压力传感器电路高电压。

发动机的运行功率会降低。

后油轨压力传感器

SMALL | MEDIUM | LARGE

电路描述

后油轨压力传感器将油轨压力信号提供给电子控制模块(ECM)。

部件位置

后油轨压力传感器位于燃油输送壳体的后部。

大修提示

此故障可能由对 (+)5 VDC 或 (+)12 VDC 短路的回路导线或信号导线、回路导线开路,或传感器故障而引起。

故障代码 484

后燃油油轨压力传感器电路

概述

代码

故障原因

产生后果

故障代码: 484
PID: P129
SPN: 1349
FMI: 4/4
指示灯: 黄色
SRT: 

在后油轨压力传感器电路上检测到低电压。

发动机的运行功率会降低。

后燃油油轨压力传感器电路

SMALL | MEDIUM | LARGE

电路描述

后油轨压力传感器将油轨压力信号提供给电子控制模块(ECM)。

部件位置

后油轨压力传感器位于齿轮泵下的燃油输送壳体上。

大修提示

信号导线或电源线对地短路、信号导线和电源线开路、传感器故障或者 ECM 供电故障都会引发此故障代码出现

故障代码 485

燃油系统燃油过量

概述

代码

故障原因

产生后果

故障代码: 485
PID: P129
SPN: 1349
FMI: 0/16
指示灯: 红色
SRT: 

在后三个气缸上检测到未预料到的高油轨压力。

发动机将返回到怠速转速,然后只能怠速或停机。

液压燃油系统

SMALL | MEDIUM | LARGE

电路描述

电子控制模块(ECM)提供电压以暂时打开供油执行器。这允许燃油的短脉冲流向喷油器。喷油器然后将此燃油喷进气缸内进行燃烧。

部件位置

后供油执行器位于进气管下的燃油输送壳体上。它是最接近于发动机后部的执行器。喷油器位于气门室盖底下的缸盖内。

大修提示

ECM 使用后燃油油轨压力传感器测量进入每个喷油器内的燃油量。如果燃油量超过 ECM 的期望值,则故障代码起作用。

故障代码 486

燃油系统燃油不足

概述

代码

故障原因

产生后果

故障代码: 486
PID: P129
SPN: 1349
FMI: 1/18
指示灯: 黄色
SRT: 

在后三个气缸上检测到未预料到的低油轨压力。

功率不足或怠速不稳。

液压燃油系统

SMALL | MEDIUM | LARGE

电路描述

电子控制模块(ECM)提供电压以暂时打开供油执行器。这允许燃油的短脉冲流向喷油器。喷油器然后将此燃油喷进气缸内进行燃烧。

部件位置

后供油执行器位于进气管下的燃油输送壳体上。它是最接近于发动机后部的执行器。喷油器位于气门室盖底下的缸盖内。

大修提示

ECM 使用后燃油油轨压力传感器测量进入每个喷油器内的燃油量。如果燃油量低于 ECM 的期望值,则故障代码起作用。

故障代码 489(工业)

辅助转速输入错误

概述

代码

故障原因

产生后果

故障代码: 489
PID: P191
SPN: 191
FMI: 1/18
指示灯: 黄色
SRT: 

输入触针上的辅助转速频率表明频率低于由标定决定的阈值。

发动机只能怠速运转。

辅助转速输入电路

SMALL | MEDIUM | LARGE

电路描述

辅助转速输入是一个来自辅助转速或压力传感器的频率信号。它被发送到电子控制模块(ECM)用于控制发动机转速。辅助参考转速依据油门位置而定。

部件位置

辅助转速或压力传感器的安装位置取决于 OEM 应用类型。有关部件的位置,请使用《OEM 故障诊断与排除手册》。

大修提示

辅助转速调速器根据所测量的辅助转速或压力控制发动机转速。

故障代码 491

2 号废气旁通阀执行器电路

概述

代码

故障原因

产生后果

故障代码: 491
PID: S088
SPN: 1189
FMI: 3/3
指示灯: 黄色
SRT: 

当发动机控制模块 (ECM) 没有提供电压时,在 2 号废气旁通阀执行器电路上检测到高电压。

发动机的运行功率会降低。

2 号废气旁通阀执行器电路

SMALL | MEDIUM | LARGE

电路描述

废气旁通阀执行器是 ECM 用来控制增压压力的装置。

部件位置

废气旁通阀控制器安装在进气喇叭口上。2 号执行器是控制器上最靠前的电磁阀。

大修提示

可能产生此故障代码的原因有:

线束对电源短路 线束、接头或废气旁通阀控制阀内开路 废气旁通阀执行器电磁阀安装不当。
故障代码 492

2 号废气旁通阀执行器电路

概述

代码

故障原因

产生后果

故障代码: 492
PID: S088
SPN: 1189
FMI: 4/4
指示灯: 黄色
SRT: 

当 2 号废气旁通阀执行器电路启用时检测到电路电压小于 (+) 6 VDC,表示发动机控制模块 (ECM) 电流消耗过大或 ECM 输出电路故障。

发动机的运行功率会降低。

2 号废气旁通阀执行器电路

SMALL | MEDIUM | LARGE

电路描述

废气旁通阀执行器是 ECM 用来控制增压压力的装置。

部件位置

废气旁通阀控制器安装在进气喇叭口上。2 号执行器是控制器上最靠前的电磁阀。

大修提示 检查发动机缸体至底盘接地导线,确认其牢固连接到清洁的干燥表面。 检查起动马达电磁阀(+)端子有无松动的接头或附件导线绝缘皮损坏。 低电压可由对地短路、与线束中其它导线短路或电磁阀线圈短路等原因导致。 检查 2 号废气旁通阀执行器电路有无可向其它设备分接供电的外部导线。将电路中所有多余的导线拆下。
故障代码 496

传感器电源电压

概述

代码

故障原因

产生后果

故障代码: 496
PID: S221
SPN: 1043
FMI: 11/11
指示灯: 黄色
SRT: 

在凸轮轴发动机位置传感器的电子控制模块(ECM)电源导线上检测到错误电压。

发动机可能不运转、起动困难或其运行功率会下降。

传感器电源电压电路

SMALL | MEDIUM | LARGE

电路描述

ECM 向凸轮轴发动机位置提供 (+5) VDC 电压。如果任何传感器电源线路损坏,该传感器将不能正常工作。

部件位置

凸轮轴发动机位置传感器位于发动机缸体的进气侧,位于 ECM 右侧的缸盖上。

大修提示

(+) 5-VDC 电源线路上的电压偏低可能是由于电源线路对地短路、电源导线与回路导线之间短路、传感器故障或 ECM 电源故障造成的。

故障代码 527(工业)

开关控制输出 A 错误

概述

代码

故障原因

产生后果

故障代码: 527
PID: P40
PID: S154
SPN: 702
FMI: 3/3
指示灯: 黄色
SRT: 

检测到 31-针 OEM 接头开关控制输出 A 信号触针小于 (+) 17.0 VDC。

电子控制模块(ECM)无法进行任何操作。

开关控制输出 A 电路

SMALL | MEDIUM | LARGE

电路描述

电磁阀驱动器将根据 11 个选定的发动机参数,通过接通或断开开关电磁阀输出控制发动机及车辆功能。电磁阀输出将控制例如风扇离合器、进气格栅加热器、空气滤清器进气阻力指示器或机油滤清器压差指示器等功能。

部件位置

电磁阀驱动器是一个 OEM 装置,电磁阀的安装位置由 OEM 决定。

故障代码 528(工业)

开关控制输出 B 错误

概述

代码

故障原因

产生后果

故障代码: 528
PID: P093
SPN: 93
FMI: 2/2
指示灯: 黄色
SRT: 

检测到 31-针 OEM 接头开关控制输出 B 信号触针小于 (+) 17.0 VDC。

电子控制模块(ECM)无法进行任何操作。

开关控制输出 B 电路

SMALL | MEDIUM | LARGE

电路描述

电磁阀驱动器将根据 11 个选定的发动机参数,通过接通或断开开关电磁阀输出控制发动机及车辆功能。电磁阀输出将控制例如风扇离合器、进气格栅加热器、空气滤清器进气阻力指示器或机油滤清器压差指示器等功能。

部件位置

电磁阀驱动器是一个 OEM 装置,电磁阀的安装位置由 OEM 决定。

故障代码 529(工业)

开关控制输出 B 错误

概述

代码

故障原因

产生后果

故障代码: 529
PID: S51
SPN: 703
FMI: 3/3
指示灯: 黄色
SRT: 

检测到电子控制模块(ECM)开关控制输出 B 信号触针小于 (+) 17 VDC。

ECM 没有采取措施。

开关控制输出 B 电路

SMALL | MEDIUM | LARGE

电路描述

电磁阀驱动器将根据 11 个选定的发动机参数,通过接通或断开开关电磁阀输出控制发动机及车辆功能。电磁阀输出将控制例如风扇离合器、进气格栅加热器、空气滤清器进气阻力指示器或机油滤清器压差指示器等功能。

部件位置

电磁阀驱动器是一个 OEM 装置,电磁阀的安装位置由 OEM 决定。

故障代码 536

自动换档低速档执行器(锁定电磁阀)电路

概述

代码

故障原因

产生后果

故障代码: 536
PID: S044
SPN: 718
FMI: 11/11
指示灯: 黄色
SRT: 

指令 (+)12 VDC 时在自动换档低档执行器电路上检测到低电压,或者指令无电压时检测到电压。

最高 2 档锁定电磁阀工作不正常。变速箱不能正确换档。

最高 2 档锁定电磁阀电路

SMALL | MEDIUM | LARGE

电路描述

自动换档低速档执行器是 ECM 驱动的控制 Top 2 变速箱的电磁阀。

部件位置

自动换档低速档执行器安装在变速箱的最上部,朝向后部。有关具体位置,请使用 OEM 示意图。

故障代码 537

自动换档高速档执行器(换档电磁阀)电路

概述

代码

故障原因

产生后果

故障代码: 537
PID: S043
SPN: 717
FMI: 11/11
指示灯: 黄色
SRT: 

指令(+)12 VDC 时在自动换档高档执行器电路上检测到低电压,或者指令无电压时检测到电压。

最高 2 档换档电磁阀工作不正常。变速箱不能正确换档。

最高 2 档换档电磁阀电路

SMALL | MEDIUM | LARGE

电路描述

自动换档高速档执行器是 ECM 驱动的控制 Top 2 变速箱的电磁阀。

部件位置

自动换档高速档执行器安装在变速箱的最上部,朝向后方。有关具体位置,请使用 OEM 示意图。

故障代码 538

自动换档空档执行器

概述

代码

故障原因

产生后果

故障代码: 538
PID: S045
SPN: 719
FMI: 11/11
指示灯: 黄色
SRT: 

指令 (+)12 VDC 时在自动换档空档执行器电路上检测到低电压,或者指令无电压时检测到电压。

最高 2 档空档执行器工作不正常。变速箱不能正确换档。

最高 2 档换档电磁阀电路

SMALL | MEDIUM | LARGE

电路描述

自动换档空档执行器是 ECM 驱动的控制 Top 2 变速箱的电磁阀。

部件位置

自动换档空档执行器安装在变速箱的最上部,朝向后方。有关具体位置,请使用 OEM 示意图。

故障代码 541

ICON™ 起动马达继电器/联锁电路

概述

代码

故障原因

产生后果

故障代码: 541
PID: S123
SPN: 615
FMI: 11/31
指示灯: 黄色
SRT: 

电子控制模块 (ECM) 在 ICON™ 起动马达继电器/联锁电路上检测到错误电压。

ICON™ 怠速控制系统会无效。只能启用强制停机。发动机能正常起动。

ICON™ 起动马达继电器/联锁电路

SMALL | MEDIUM | LARGE

电路描述

起动马达继电器/联锁电路控制并监测起动马达继电器线圈和 ICON™ 联锁。ICON™ 特性使用起动马达继电器自动起动发动机。ICON™ 特性使用联锁来监控变速箱是否在空档位置,机罩/驾驶室的位置,以及是否设定驻车制动。

部件位置

起动马达继电器、驻车制动开关、空档位置开关和罩倾斜开关的位置随 OEM 的不同而变化。关于准确位置,查看特定的 OEM 故障诊断与排除手册。

大修提示

一般情况下,第一个故障代码指示蓄电池短路、对地短路或开路。

故障代码 544

Top 2 变速箱电路 - 机械系统故障

概述

代码

故障原因

产生后果

故障代码: 544
PID: S151
SPN: 611
FMI: 7/7
指示灯: 黄色
SRT: 

自动换档故障;至少三次换档尝试失败。

最, 高 2 档变速箱控制不正确。变速箱仍处于手动模式。

最高 2 档变速箱电路

SMALL | MEDIUM | LARGE

电路描述

Top 2 变速箱电路控制 Top 2 变速箱 Top 2 档之间的自动换档。

部件位置

Top 2 换档/锁定电磁阀安装在变速箱的上部,靠近后面。有关准确的位置,请使用 OEM 示意图。

故障代码 546

燃油压力传感器电路

概述

代码

故障原因

产生后果

故障代码: 546
PID: P094
SPN: 94
FMI: 3/3
指示灯: 黄色
SRT: 

在燃油压力传感器电路上检测到高电压。

发动机的运行功率会降低。

燃油压力传感器电路

SMALL | MEDIUM | LARGE

电路描述

燃油压力传感器向电子控制模块(ECM)提供燃油压力电源信号。

部件位置

燃油压力传感器位于前供油执行器左侧的燃油输送壳体上。

大修提示

此故障表示 ECM 上信号触针 29 已经对至少 (+)5 VDC 电源短路。

故障代码 547

燃油压力传感器电路

概述

代码

故障原因

产生后果

故障代码: 547
PID: P094
SPN: 94
FMI: 4/4
指示灯: 黄色
SRT: 

在燃油压力传感器电路上检测到低电压。

发动机的运行功率会降低。

燃油压力传感器电路

SMALL | MEDIUM | LARGE

电路描述

燃油压力传感器向电子控制模块(ECM)提供燃油压力电源信号。

部件位置

燃油压力传感器位于前供油执行器左侧的燃油输送壳体上。

大修提示

此故障指示 ECM 信号触针 29 上的电压对地短路。

故障代码 551

怠速有效开关电路

概述

整体式传感器开关 (ISS)

代码

故障原因

产生后果

故障代码: 551
PID: S230
SPN: 558
FMI: 4/4
指示灯: 黄色
SRT: 

在怠速有效非怠速与怠速开关电路上都没检测到电压。

发动机只能怠速运转。

怠速有效开关电路

SMALL | MEDIUM | LARGE

电路描述

电子控制模块(ECM)利用怠速有效开关来显示油门踏板是处于释放(怠速)还是踩下(非怠速)状态。开关在制造厂要进行调整,以使在怠速到非怠速之间切换时油门踏板处在正确的位置。

部件位置

整体式传感器开关(ISS)安装在油门踏板总成上。

大修提示 此故障代码通常由于接头松动、油门踏板未标定或怠速有效开关线路故障导致。检查固态传感器开关(SSS) 电压水平需要抽头电缆(零件号 3824892)。 如果所有导线和传感器检查都正常,用新导线更换油门踏板和 ECM 之间的怠速有效开关电路导线。使导线穿过或绕过横隔板,而不要使用横隔板接头。使用相应的测试导线测试车辆。如果故障代码清除,更换 OEM 线束。密封接头和导线四周的隔板开口以防止有毒和有害气体进入驾驶室。 核实三根怠速有效开关电路导线绞在一起。 ECM 及油门踏板总成必须互相进行电气标定以获得正确的发动机响应。当最初安装、更换油门踏板,更换 ECM,将新的标定下载到 ECM 中,以及当接通车辆钥匙开关时油门踏板拉线断开后, 必须标定 ECM 和油门踏板总成。 钥匙开关接通时,将油门逐渐踩到底然后释放。踩下然后释放油门踏板,重复三次。此步骤将重新标定 ECM 及油门踏板。

参考故障诊断故障代码 t05-551iss。

故障代码 551

怠速有效开关电路

概述

整体式传感器开关 (ISS)

代码

故障原因

产生后果

故障代码: 551
PID: S230
SPN: 558
FMI: 4/4
指示灯: 黄色
SRT: 

在怠速有效非怠速与怠速开关电路上都没检测到电压。

发动机只能怠速运转。

怠速有效开关电路

SMALL | MEDIUM | LARGE

电路描述

电子控制模块(ECM)利用怠速有效开关来显示油门踏板是处于释放(怠速)还是踩下(非怠速)状态。开关在制造厂要进行调整,以使在怠速到非怠速之间切换时油门踏板处在正确的位置。

部件位置

整体式传感器开关(ISS)安装在油门踏板总成上。

大修提示 此故障代码通常由于接头松动、油门踏板未标定或怠速有效开关线路故障导致。检查固态传感器开关(SSS) 电压水平需要抽头电缆(零件号 3824892)。 如果所有导线和传感器检查都正常,用新导线更换油门踏板和 ECM 之间的怠速有效开关电路导线。使导线穿过或绕过横隔板,而不要使用横隔板接头。使用相应的测试导线测试车辆。如果故障代码清除,更换 OEM 线束。密封接头和导线四周的隔板开口以防止有毒和有害气体进入驾驶室。 核实三根怠速有效开关电路导线绞在一起。 ECM 及油门踏板总成必须互相进行电气标定以获得正确的发动机响应。当最初安装、更换油门踏板,更换 ECM,将新的标定下载到 ECM 中,以及当接通车辆钥匙开关时油门踏板拉线断开后, 必须标定 ECM 和油门踏板总成。 钥匙开关接通时,将油门逐渐踩到底然后释放。踩下然后释放油门踏板,重复三次。此步骤将重新标定 ECM 及油门踏板。

参考故障诊断故障代码 t05-551iss。

故障代码 551

怠速有效开关电路

概述

SSS

代码

故障原因

产生后果

故障代码: 551
PID: S230
SPN: 558
FMI: 4/4
指示灯: 黄色
SRT: 

在怠速有效非怠速与怠速开关电路上都没检测到电压。

发动机只能怠速运转。

怠速有效开关电路

SMALL | MEDIUM | LARGE

电路描述

电子控制模块(ECM)利用怠速有效开关(IVS)来显示油门踏板是处于释放(怠速)还是踩下(非怠速)状态。开关在制造厂要进行调整,以使在怠速到非怠速之间切换时油门踏板处在正确的位置。整体式固态传感器开关(SSS)是一个需要电压以检查电路的活动电子部件。

部件位置

固态传感器开关(SSS)位于油门踏板总成上。

大修提示

此故障代码通常由于接头松动、油门踏板未标定或怠速有效开关线路故障导致。检查固态传感器开关电压水平需要抽头电缆(零件号 3824892)。

如果所有导线和传感器检查都正常,用新导线更换油门踏板和 ECM 之间的怠速有效开关电路导线。使导线穿过或绕过横隔板,而不要使用横隔板接头。使用相应的测试导线测试车辆。如果故障代码清除,更换 OEM 线束。密封接头和导线四周的隔板开口以防止有毒和有害气体进入驾驶室。

检查三根怠速有效开关电路导线绞在一起。

ECM 及油门踏板总成必须互相进行电气标定以获得正确的发动机响应。当初始安装或更换油门踏板、更换 ECM、下载新标定到 ECM 中或车辆钥匙开关接通时断开油门踏板导线时,它们必须标定。 钥匙开关接通时,将油门逐渐踩到底然后释放。踩下然后释放油门踏板,重复三次。该操作将重新标定 ECM 及油门踏板。

参考故障诊断故障代码 t05-551sss。

上次改进日期:  26-十月-2010

故障代码 553

燃油系统燃油过量

概述

代码

故障原因

产生后果

故障代码: 553
PID: P157
SPN: 157
FMI: 0/16
指示灯: 红色
SRT: 

在前三个气缸上检测到未预料到的高油轨压力。

发动机将返回到怠速转速,然后只能怠速或停机。

液压燃油系统

SMALL | MEDIUM | LARGE

电路描述

电子控制模块(ECM)提供电压以暂时打开供油执行器。这允许燃油的短脉冲流向喷油器。喷油器然后将此燃油喷进气缸内进行燃烧。

部件位置

前供油执行器位于空气进气管下的燃油输送壳体上。它是最接近于发动机前部的执行器。喷油器位于气门室盖底下的缸盖内。

大修提示

ECM 使用前燃油油轨压力传感器测量进入每个喷油器内的燃油量。如果燃油量超过 ECM 的期望值,则故障代码起作用。

参考故障诊断代码 t05-553。

故障代码 559

燃油系统燃油不足

概述

代码

故障原因

产生后果

故障代码: 559
PID: P157
SPN: 157
FMI: 1/18
指示灯: 黄色
SRT: 

在前三个气缸上检测到未预料到的低油轨压力。

功率不足或怠速不稳。

液压燃油系统

SMALL | MEDIUM | LARGE

电路描述

电子控制模块(ECM)提供电压以暂时打开供油执行器。这允许燃油的短脉冲流向喷油器。喷油器然后将此燃油喷进气缸内进行燃烧。

部件位置

前供油执行器位于空气进气管下的燃油输送壳体上。它是最接近于发动机前部的执行器。喷油器位于气门室盖底下的缸盖内。

大修提示

ECM 使用前燃油油轨压力传感器测量进入每个喷油器内的燃油量。如果燃油量低于 ECM 的期望值,则故障代码起作用。

参考故障诊断代码 t05-559。

故障代码 581

燃油进油阻力传感器电路

概述

代码

故障原因

产生后果

故障代码: 581
PID: P015
SPN: 1381
FMI: 3/3
指示灯: 黄色
SRT: 

进油阻力传感器信号触针上检测到高电压。

燃油进油阻力监测停用。

燃油进油阻力传感器电路

SMALL | MEDIUM | LARGE

电路描述

燃油进口阻力传感器向电子控制模块(ECM)提供燃油压力信号。

部件位置

燃油进口阻力传感器安装在燃油滤清器座上。

大修提示

此故障指示 ECM 执行器线束接头信号触针 28 上至少 (+) 5 VDC 短路。

故障代码 582

燃油进油阻力传感器电路

概述

代码

故障原因

产生后果

故障代码: 582
PID: P015
SPN: 1381
FMI: 4/4
指示灯: 黄色
SRT:  

进油阻力传感器信号触针上检测到低电压。

燃油进油阻力监测停用。

燃油进油阻力传感器电路

SMALL | MEDIUM | LARGE

电路描述

燃油进口阻力传感器向电子控制模块(ECM)提供燃油压力信号。

部件位置

燃油进口阻力传感器安装在燃油滤清器座上。

大修提示 该故障指示 ECM 信号触针 28 上的电压超出技术规范。 ECM 提供 (+) 4.75 到 5.25 VDC 的电源电压。到 ECM 的传感器信号电压为 (+) 4.16 到 4.83 VDC。 测量传感器触针之间的电阻是一种判断传感器功能是否正常的快速检查方法。

描述

触针间的电阻(千欧)

接地电压

13.35

信号电压

1.77

接地信号电压

14.68

参考故障诊断代码 t05-582。

故障代码 583

燃油进油阻力传感器电路

概述

代码

故障原因

产生后果

故障代码: 583
PID: P015
SPN: 1381
FMI: 1/18
指示灯: 黄色
SRT: 

燃油进口阻力传感器已检测到阻力。

设置燃油进油阻力监测警告。

燃油进油阻力传感器电路

SMALL | MEDIUM | LARGE

电路描述

燃油进口阻力传感器向电子控制模块(ECM)提供信号。

部件位置

燃油进口阻力传感器安装在燃油滤清器座的进口上。

大修提示

此故障指示燃油进口阻力超过 12 in Hg。导致此故障代码的典型原因包括燃油滤清器堵塞及燃油供应软管塌陷。

故障代码 588

发动机起动报警器电路

概述

发动机起动报警器电路

代码

故障原因

产生后果

故障代码: 588
PID: S121
SPN: 611
FMI: 3/3
指示灯: 黄色
SRT: 

电子控制模块(ECM)期待低电压时,在发动机起动报警电路上检测到电压高。

ICON™ 怠速控制系统会无效。只能启用强制停机。发动机起动报警可能持续发出声音。

发动机起动报警器电路

SMALL | MEDIUM | LARGE

电路描述

发动机起动报警器电路接通发动机起动报警器,以使发动机自动起动。

部件位置

发动机起动报警器通常位于发动机舱内。有关特定位置,请使用 OEM 手册。

大修提示

此故障通常指示与蓄电池短路或开路。发动机必须装配三级发动机制动线束,ICON™ 特性必须启用,以使发动机起动报警器起作用。

参考故障诊断代码 t05-588。

故障代码 589

发动机起动报警器电路

概述

代码

故障原因

产生后果

故障代码: 589
PID: S121
SPN: 611
FMI: 4/4
指示灯: 黄色
SRT: 

当 ICON™ ECM 期望高电压时,却在发动机起动报警器电路上检测到电压低于 (+) 6 VDC。

ICON™ 怠速控制系统会无效。只能启用强制停机。发动机起动报警持续发出声音,或者听不到响声。

发动机起动报警器电路

SMALL | MEDIUM | LARGE

电路描述

发动机起动报警器电路接通发动机起动报警器,以使发动机自动起动。

部件位置

发动机起动报警器通常位于发动机舱内。有关特定位置,请使用 OEM 手册。

大修提示

此故障通常表示对地短路。发动机必须装配三级发动机制动线束,ICON™ 特性必须启用,以使发动机起动报警器起作用。

参考故障诊断代码 t05-589。

故障代码 731

发动机转速传感器和凸轮轴位置传感器 - 凸轮轴传感器与曲轴传感器之间未对准

概述

代码

故障原因

产生后果

故障代码: 731
PID: S064
SPN: 723
FMI: 7/7
指示灯: 淡黄色
SRT: 

发动机转速传感器和凸轮轴位置传感器 - 凸轮轴传感器与曲轴传感器之间未对准。发动机转速传感器与凸轮轴位置传感器的发动机位置信号不匹配。

发动机的运行功率会降低。可能大量冒烟、起动困难和怠速不稳。

发动机转速传感器和凸轮轴位置传感器电路 - 凸轮轴传感器与曲轴传感器之间未对准

SMALL | MEDIUM | LARGE

电路描述

发动机转速传感器和凸轮轴位置传感器通过发动机线束向电子控制模块(ECM)提供发动机转速和位置信号。

部件位置

有关部件的详细位置视图,参考第 E 节中的步骤 100-002。

大修提示

此故障代码可能的原因包括:

接地松动、丢失或腐蚀 转速信号轮损坏 曲轴转速信号轮松动 静态正时设置错误 前齿轮系打滑 发动机转速传感器或凸轮轴位置传感器定位不当
故障代码 753

发动机转速传感器电路

概述

代码

故障原因

产生后果

故障代码: 753
PID: S064
SPN: 723
FMI: 2/2
指示灯: 黄色
SRT: 

来自于凸轮轴和曲轴发动机位置传感器的发动机位置信号不匹配。

可能动力不足、怠速不稳或冒白烟。

发动机转速传感器电路

SMALL | MEDIUM | LARGE

电路描述

发动机转速传感器是固态传感器,其通过发动机线束向电子控制模块(ECM)提供发动机转速信号。

部件位置

曲轴发动机转速传感器位于齿轮室前盖上。这位于减震器的进气侧。凸轮轴发动机转速传感器位于 ECM 上面的缸盖内侧。

大修提示

如果故障仅在特定的发动机温度时才发生,务必检查当发动机处于该特殊温度时的发动机位置传感器电路。

故障代码 755

燃油喷油器

概述

代码

故障原因

产生后果

故障代码: 755
PID: P157
SPN: 157
FMI: 7/7
指示灯: 黄色
SRT: 

在前三个缸体上检测到不正确的供油。

发动机缺火。

燃油喷油器

SMALL | MEDIUM | LARGE

电路描述

电子控制模块(ECM)提供电压以暂时打开供油执行器。这允许燃油的短脉冲流向喷油器。喷油器然后将此燃油喷进气缸内进行燃烧。

部件位置

喷油器位于气门室盖底下的缸盖内。

大修提示

ECM 使用前燃油油轨压力传感器测量进入每个喷油器内的燃油量。如果 ECM 检测到燃油没有进入喷油器,故障代码将起作用。

此故障可能是由于燃油中混入空气引起的。

参考故障诊断代码 t05-755。

故障代码 758

燃油喷油器

概述

代码

故障原因

产生后果

故障代码: 758
PID: P129
SPN: 1349
FMI: 7/7
指示灯: 黄色
SRT: 

在后三个缸体上检测到不正确的供油。

发动机缺火。

燃油喷油器

SMALL | MEDIUM | LARGE

电路描述

电子控制模块(ECM)提供电压以暂时打开供油执行器。这允许燃油的短脉冲流向喷油器。喷油器然后将此燃油喷进气缸内进行燃烧。

部件位置

喷油器位于气门室盖底下的缸盖内。

大修提示

ECM 使用前燃油油轨压力传感器测量进入每个喷油器内的燃油量。如果 ECM 检测到燃油没有进入喷油器,故障代码将起作用。

参考故障诊断代码 t05-758。

故障代码 784

自适应巡航控制电路

概述

代码

故障原因

产生后果

故障代码: 784
PID: 
SPN: 1590
FMI: 2
指示灯: 淡黄色
SRT: 

自适应巡航控制电路

与自适应巡航控制系统通信中断。

自适应巡航控制将不运行。标准巡航控制将不运行。

自适应巡航控制电路

SMALL | MEDIUM | LARGE

电路描述

自适应巡航控制单元和电子控制模块(ECM)之间进行通信,通过 SAEJ 1939 数据通信接口发送和接收车辆速度控制信息。

部件位置

自适应巡航控制装置的位置会随 OEM 的不同而变化。有关具体位置,请使用 OEM 维修手册。

大修提示

如果 ECM 没有从 SAE J1939 数据通信接口的自适应巡航控制装置上收到 Heartbeat 消息,此故障就会成为现行故障。

参考故障诊断代码 t05-784。

故障代码 951

气缸功率不平衡

概述

代码

故障原因

产生后果

故障代码: 951
PID: P166
SPN: 166
FMI: 2/2
指示灯: 无
SRT: 

电子控制模块 (ECM) 检测到气缸之间功率不平衡。

发动机可能怠速不稳或缺火。

气缸功率不平衡

SMALL | MEDIUM | LARGE

电路描述

ECM 在发动机怠速时计算每个气缸的功率输出。

部件位置

ECM 位于发动机的进气侧,进气管道与发动机的前部之间。参考第 E 节中的步骤 100-002。

大修提示

发动机怠速时,ECM 在每个气缸点火时测量其瞬时加速度,以此确定气缸的功率。如果不平衡处于预先确定的极限之内,ECM 会调节对每个气缸的供油。如果不平衡大于预先确定的极限,则将故障代码 951 设为现行状态。

参考故障诊断代码 t05-951。

免费热线
400-082-9096 
整机销售
0731-84424871  18374999699
售后维修
0731-84424872  15580888444
配件销售
0731-84424873  18274802060
手机端
微信公众号