首页 技术中心>康明斯启动马达转动测量钥匙开关检查拆卸安装步骤示意图

康明斯启动马达转动测量钥匙开关检查拆卸安装步骤示意图

2023/1/14 19:43:12

康明斯启动马达转动测量钥匙开关检查拆卸安装步骤示意图

转动检查

如果启动马达电磁阀发出声音,但发动机没有转动,将钥匙开关转到 OFF (断开)位置,并尝试沿两个方向盘动曲轴。

使用盘车工具(零件号 3824591)盘动发动机。

如果曲轴能够盘动,尝试启动发动机。如果启动马达拖动发动机,检查启动马达的小齿轮和飞轮齿圈是否损坏。

如果更换部件时发现启动马达小齿轮和/或飞轮齿圈损坏,则一定要测量启动马达安装法兰到飞轮齿圈前侧的前端面之间的距离。遵循此步骤进行测量。

 

 

如果曲轴没有转动或要费更大的力才能盘动,则检查驱动装置和/或附件是否有内部故障。

 

 

如果发动机拖动转速过低/根本无法拖动,但发动机可自由转动:

确保导线接头清洁、紧固并且没有损坏。

检查蓄电池电压。参考原始设备制造商 (OEM) 维修手册。

 

 

拖动时检查启动马达上的电压。如果 12 伏系统上的电压降超过了 2.4 VDC,或者 24 伏系统上电压降超过了 4.8 VDC,应检查所有接头是否清洁并紧固。

如果电缆没有故障并且压降超过最大值,更换启动马达。

 

 

准备步骤

警告 

蓄电池可能有易爆性气体逸出。为避免人身伤害,在维护蓄电池前,必须保持发动机舱通风良好。为了避免产生电弧,应首先拆下负极 (-) 蓄电池电缆,并最后连接负极 (-) 蓄电池电缆。

  • 断开蓄电池。参考 OEM 维修手册。

 

 

拆卸

在各导线上使用标签标记在启动马达上的位置。

拆下启动马达上的电气端子。

拆下 3 个螺钉和启动马达。

如果配备了启动马达隔圈,拆卸隔圈并使用钢丝刷清洁启动马达、启动马达隔圈和飞轮壳之间的全部表面。

 

 

检查能否继续使用

检查启动马达小齿轮和/或飞轮齿圈有无碎屑或不均匀磨损。

如果启动马达小齿轮和/或飞轮齿圈轮齿损坏,必须进行更换。

 

 

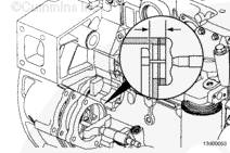
测量

使用深度测微计或游标卡尺测量启动马达安装法兰与飞轮齿圈前侧正面之间的距离。

完成测量时还应包括先前已拆下的所有垫块。

启动马达间隔

mm

in

50.25

最小

1.98

51.35

最大

2.02

如果必要增加或拆下垫块直至得到正确的启动马达间隔距离。

 

 

安装

安装 3 根螺钉、启动马达和启动马达隔套(如果要求)。

扭矩值:  43  n.m  [32 ft-lb]

 

 

注意 

不要过度拧紧电气接头。可能导致启动马达损坏。

使用位置标签有助于识别每根导线接头的走向。

安装启动马达的电气接头。参考 OEM 维修手册中的扭矩技术规范。

 

 

最后步骤

,

警告

蓄电池可能有易爆性气体逸出。为避免人身伤害,在维护蓄电池前,必须保持发动机舱通风良好。为了避免产生电弧,应首先拆下负极 (-) 蓄电池电缆,并最后连接负极 (-) 蓄电池电缆。

  • 连接蓄电池。参考 OEM 维修手册。
  • 运转启动马达并检查功能是否正常。

 

 

钥匙开关

电压检查

警告

为了防止造成触电和人身伤害,确保钥匙开关处于断开位置。

从钥匙开关端子上拆下连接钥匙开关(标记为 S Start)与电磁开关的导线。

Cummins® 数字万用表正极 (+) 表笔(零件号 3377163)或等同物,连接至钥匙开关端子;将负极 (-) 表笔连接至底盘或发动机接地端。

 

 

将万用表调至直流电压档,同时钥匙马达开关位于“OFF”(断开)位置。在钥匙开关端子处不得有电压。如果万用表显示有电压,表明钥匙开关存在故障,必须进行更换。

 

 

将钥匙开关转到 START(启动)位置。

万用表必须显示系统电压。

 

 

如果没有电压:

  • 将钥匙开关转到 OFF(断开)位置。
  • 将万用表正极 (+) 表笔连接到钥匙开关端子并用一根导线将钥匙开关连接在启动马达电磁阀“B”端子上来检查钥匙开关有无供电电压。

 

 

将钥匙开关转到 START(启动)位置。

如果万用表显示钥匙开关输入端子上有系统电压,表明钥匙开关发生故障,必须予以更换。有关更换信息,参考原始设备制造商 (OEM) 维修手册。

 

 

如果万用表显示没有电压,则说明钥匙开关不是故障的原因所在。

检查从钥匙开关到启动马达电磁阀“B”端子以及从启动马达电磁阀到蓄电池之间的导线是否折断或损坏。

 

 

 

免费热线
400-082-9096 
整机销售
0731-84424871  18374999699
售后维修
0731-84424872  15580888444
配件销售
0731-84424873  18274802060
手机端
微信公众号