John Deere约翰迪尔强鹿柴油发动机凸轮轴的安装
1. 用 JDE81-1 或 JDE83 飞轮旋转工具和 JDG1571 或JDE81-4 正时销,将一号活塞锁定在汽缸压缩冲程上止点。
注意: 安装凸轮轴时必须正确安装喷油泵并进行正时。关于 Stanadyne 和 Delphi/Lucas 旋转喷油泵,请参见 CTM217(机械燃油系统)第 02 部分第 090章介绍的喷油泵安装方法。
关于 Denso 高压喷油泵,请参见 CTM230 (配Denso 高压共轨的 11 级电子燃油系统)第 02 部分第 090 章介绍的喷油泵安装方法。

关于 Bosch VP44 喷油泵的静态锁定销正时,请参见 CTM179 (4 级电子燃油系统)第 02 部分第090 章介绍的 Bosch VP44 旋转喷油泵正时。然后,参见 CTM179 (4 级电子燃油系统)第 02 部分第 090 章“安装 BOSCH VP44 喷油泵”部分。
关于 Denso 和 Motorpal 喷油泵的静态锁定销正时,参见 CTM217(机械燃油系统)第 02 部分第090 章的“DENSO 和 MOTORPAL 直列喷油泵正时”部分。然后,再参见 CTM217 (机械燃油系统)第 02 部分第 090 章介绍的喷油泵安装方法。
关于 Stanadyne DE10 喷油泵的静态锁定销正时,参见 CTM341 (12 级电子燃油系统)第 02 部分第 090 章的“喷油泵静态正时”部分。
关于 Delphi/Lucas DP201 喷油泵的静态正时,参见 CTM284 (1 级电子燃油系统)(只有英文版)第 02 部分第 090 章的“喷油泵正时”部分。
2. 安装喷油泵和驱动齿轮。参见以上“注意事项”中的相关说明。

A – 凸轮轴齿轮
B – 喷油泵齿轮
C – 上惰轮
D – 曲轴齿轮
E – 油泵齿轮
F – 下惰轮
G – 平衡轴齿轮(某些四缸John Deere约翰迪尔强鹿柴油发动机)
3. 用 TY6333 高温润滑脂润滑凸轮轴轴瓦的轴颈、凸轮缘和随动柱。
重要提示: 安装凸轮轴时,禁止凸轮轴的凸轮缘划伤凸轮轴孔或衬套表面。轴瓦表面易划伤或留下划痕。安装时要转动凸轮轴以防穿过各孔时发生阻碍。
4. 在缸体上安装凸轮轴和止推板。注意不要损坏衬套内径。
5. 安装止推板带帽螺钉并按技术规格的要求将其拧紧。
技术规格
凸轮轴止推板带帽螺钉-扭矩. . . . . 35 牛顿米(26 磅- 英尺)
6. 对于双气门John Deere约翰迪尔强鹿柴油发动机:
a. 将 JD254A (JD-254A) 正时工具放在曲轴轴头和凸轮轴的中心(如图所示),旋转凸轮轴直到凸轮轴齿轮上的正时标记 (A) 与正时工具对齐。
A – 正时标记

注意: Denso、Motorpal、Bosch VP44 和 StanadyneDE10 喷油泵在安装过程中进行静态锁销正时。以下步骤只适用于 Stanadyne 老式喷油泵和所有Delphi/Lucas 喷油泵。
重要提示: 正时标记的使用要与进行正时的John Deere约翰迪尔强鹿柴油发动机汽缸数相对应。
b. 对于 Stanadyne 老式喷油泵和所有 Delphi/Lucas旋转式喷油泵:JD254A (JD-254A)1 正时工具放在曲轴轴头和喷油泵轴中心,检查喷油泵齿轮正时。如下表所示,喷油泵驱动齿轮正时标记 (B) 必须与正时工具(如图所示)对齐。
喷油泵齿轮正时标记
喷油泵型号正时标记
Delphi/Lucas 和 Stanadyne 四缸John Deere约翰迪尔强鹿柴油发动机 . . . . . 4
Stanadyne 六缸John Deere约翰迪尔强鹿柴油发动机. . . . S6
Delphi/Lucas 六缸John Deere约翰迪尔强鹿柴油发动机. . . L6
Delphi/Lucas (第一批生产的 1170 联合收割机) . L6
Delphi/Lucas (早期生产的 1170 联合收割机) . . 6C
Delphi/Lucas (新近生产的 1170 联合收割机) . . 6Z
重要提示: 为确保新装的上惰轮衬套和凸轮轴衬套良好润滑,安装时要将上惰轮的参考号背对John Deere约翰迪尔强鹿柴油发动机。
在上惰轮衬套内径和齿轮轴外径涂上 TY6333 高温润滑脂。用 JDG791A 惰轮安装定位器2 安装惰轮,可以不用旋转凸轮轴齿轮或喷油泵齿轮。

重要提示: 不要用涂锌硬件固定惰轮。如果带帽螺钉涂了锌,应换用涂硅酸盐的新带帽螺钉。关于相应的零件号,参见零件目录。
注意: 安装外止推垫圈,“X” 标记背对齿轮(老式John Deere约翰迪尔强鹿柴油发动机),或槽口对着齿轮(新式John Deere约翰迪尔强鹿柴油发动机)。
d. 用润滑油润滑上惰轮带帽螺钉的丝扣。安装上惰轮止推垫圈和带帽螺钉。按技术规格要求拧紧带帽螺钉。
技术规格
上惰轮带帽螺钉-扭矩 . . . . . . . . 70 牛顿米(53 磅- 英尺)e. 再次检查凸轮轴齿轮 (A) 和喷油泵驱动齿轮的正时,确保无误。

7. 对于四气门John Deere约翰迪尔强鹿柴油发动机:
a. 喷油泵齿轮正时标记 (I) 与 12 点钟位置对齐。
b. 将凸轮轴齿轮的“V 4Valve”(四气门)正时标记与惰轮销 (C) 中心对齐。
注意: 安装内外止推垫圈,润滑槽要正对惰轮。
c. 将后止推垫圈 (B) 装到惰轮销 (C) 上,润滑槽要正对惰轮
d. 用 TY6333 高温润滑脂润滑上惰轮轮毂 (A) 内径和上惰轮销 (C) 外径。
e. 用 TY6333 高温润滑脂润滑上惰轮 (D) 内径和上惰轮轮毂 (A) 外径。将上惰轮 (D) 装到上惰轮轮毂(A)。
重要提示: 齿轮必须有“V 4Valve” 标记。用直尺将正时标记与轴的中心线对齐。
f. 将上惰轮轮毂和惰轮装到惰轮销 (C),正时凸棱面对前板。用直尺将凸轮轴齿轮上的“V 4Valve”正时标记 (G) 与上惰轮“V 4Valve” 正时标记 (H)对齐。正时标记“V” 必须彼此相对,与凸轮轴齿轮和上惰轮中心线在同一条线上。
A – 上惰轮轮毂
B – 后止推垫圈
C – 上惰轮轮毂销
D – 上惰轮
E – 前止推垫圈
F – 带帽螺钉
G – 凸轮轴齿轮“V 4Valve” 正时标记
H – 上惰轮“V 4Valve”正时标记
I – 喷油泵齿轮正时标记


g. 安装上惰轮前止推垫圈 (C),润滑槽要正对齿轮。
重要提示: 不要用涂锌硬件固定惰轮。如果带帽螺钉涂了锌,应换用涂硅酸盐的新带帽螺钉。关于相应的零件号,参见零件目录。
h. 用润滑油润滑上惰轮带帽螺钉 (F) 的丝扣。按技术规格要求拧紧带帽螺钉。
技术规格
上惰轮带帽螺钉-扭矩 . . . . . . . . 70 牛顿米(53 磅- 英尺)
8. 对所有型号John Deere约翰迪尔强鹿柴油发动机:安装正时齿轮,如果配备。(配备 VP44 或 DE10 喷油泵的双气门John Deere约翰迪尔强鹿柴油发动机及所有四气门John Deere约翰迪尔强鹿柴油发动机,参见第 040 章“拆卸和安装曲轴正时齿轮”部分。)

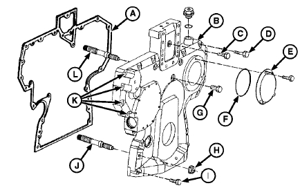
安装John Deere约翰迪尔强鹿柴油发动机正时齿轮室盖

A – 盖垫圈
B – 正时齿轮室盖
C – 带帽螺钉(双气门John Deere约翰迪尔强鹿柴油发动机)
D – 带帽螺钉
E – 喷油泵驱动齿轮盖板(双气门John Deere约翰迪尔强鹿柴油发动机)
F – O 形环(双气门)
G – 带帽螺钉(双气门John Deere约翰迪尔强鹿柴油发动机)
H – 凸缘螺母
I – 带帽螺钉
J – 螺栓
K – 螺栓位置(仅适用于某些
OEM John Deere约翰迪尔强鹿柴油发动机)
L – 螺栓1
注意: 图示为双气门John Deere约翰迪尔强鹿柴油发动机。四气门John Deere约翰迪尔强鹿柴油发动机的带帽螺钉和螺栓的安装方法与之相似。
1. 确保正时齿轮盖和前板上的衬垫表面清洁。(请参阅本章前面的“清洁和检查前板”部分。)
2. 安装正时齿轮。(参见第 040 章“更换曲轴前油封和耐磨套”部分。)
注意: 某些 OEM John Deere约翰迪尔强鹿柴油发动机,为避免与辅助驱动液压泵相互干扰,位置 (K) 上的带帽螺钉用配有螺母的双头螺栓代替。给双头螺栓涂上 LOCTITE ® 271 螺纹固定和密封剂(高强度):将双头螺栓装入前板,等两小时后再装正时齿轮盖。双头螺栓不得从前板凸出。
3. 将一薄层机油涂到曲轴密封圈的内径,如果安装的话。将正时齿轮盖 (B) 装到John Deere约翰迪尔强鹿柴油发动机上。
4. 对于双气门John Deere约翰迪尔强鹿柴油发动机:将 LOCTITE® 592 (TY9375) 管道密封剂涂到带帽螺钉 (G) 上。

5. 按初始扭矩拧紧所有带帽螺钉和螺母,相应的齿轮盖类型要遵照图示的顺序。最后,按最终扭矩拧紧所有带帽螺钉和螺母,遵照相同顺序。
技术规格
正时齿轮盖到前板、缸体
带帽螺钉和螺母- 初始扭矩-扭矩 . . . . . . . 20 牛顿米(177 磅- 英寸)
油盘到正时齿轮盖-初始扭矩-扭矩 . . . . . . . 20 牛顿米(177 磅- 英寸)
正时齿轮盖到前板、缸体螺钉和螺母 -最终扭矩-扭矩 . . . . . . . . 35 牛顿米(26 磅- 英尺)
油盘到正时齿轮盖-最终扭矩-扭矩 . . . . . . . . 35 牛顿米(26 磅- 英尺)
注意: 如果John Deere约翰迪尔强鹿柴油发动机配有前注油管,安装在盖板 (E) 的位置。
6. 对于双气门John Deere约翰迪尔强鹿柴油发动机:必要时,用新的 O 形环 (F) 安装喷油泵驱动齿轮盖板 (E) 或前注油管(如果装备)。在旋转式喷油泵盖的带帽螺钉上涂抹 LOCTITE® 242(T43512) 螺纹固定和密封剂(中等强度)。按技术规格要求拧紧螺钉。

技术规格
喷油泵驱动
齿轮盖-扭矩 . . . . . . 6 牛顿米(4.5 磅- 英尺)(53 磅- 英寸)
7. 对于四气门John Deere约翰迪尔强鹿柴油发动机:按照技术规格的要求,在燃油泵前面安装正时齿轮盖塞,安装时使用新的 O 形环。
技术规格
正时齿轮盖塞-扭矩 . . . . . . . . .50 牛顿米(37 磅- 英尺)。
8. 如果配备弹簧、柱塞和卧式油压调节阀,安装油压调节阀总成。(参见第 060 章“拆卸和安装油压调节阀和支座”部分。)
9. 安装可调风扇驱动装置和风扇皮带轮 (B)。(请参阅第 070 章的“安装风扇驱动总成”部分。)
10. 安装水泵,如果拆卸了的话。(请参阅第 070 章中的“安装水泵”部分。)
B – 风扇皮带轮

11. 安装皮带张紧器 (A),如果拆卸了的话。(参见第070 章“拆卸和安装自动(弹簧)皮带张紧器”部分。)
A – 皮带张紧器

12. 安装前板上的油冷却器到水歧管弯管 (B)。(参见第060 章“拆卸、检查和安装油冷却器”部分。)
13. 安装油盘。(参见第 060 章“安装油盘”部分。)
14. 安装曲轴前油封和耐磨套。(参见第 040 章“更换曲轴前油封和耐磨套”部分。)
B – 油冷却器到水歧管弯管
