CA4DC2高压共轨电控道依茨发动机
前言 道依茨CA4DC2柴油机是一汽技术中心、DDE公司、BOSCH公司以及轻型车厂联合开发,满足国III号排放标准的高压共轨电控柴油机。CA4DC2是CA4D32国II机的升级换代产品,目标车型为:CA4DC2机型为3吨和2吨级轻型载货车。采用了BOSCH公司第二代电控共轨系统,最高轨压为1450bar。该系统是批量成熟产品,广泛的用于轿车柴油机,价格优于卡车用的共轨系统。CA4DC2共轨系统包括:高压油泵、蓄压器(油轨)、电控喷油器、ECU、电子油门踏板以及转速传感器、凸轮轴相位传感器、水温传感器、进气温度和压力传感器等。燃油回油管总成,带手动泵、电加热以及油水分离报警装置的燃油细滤器一同由BOSCH公司提供,以保证整套系统的安全可靠。
1. 道依茨电控系统组成及工作过程
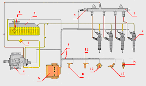
道依茨CA4DC2系列高压共轨电控柴油机的基本结构与机械CA4D32柴油机相似,所不同的是他的燃油系统采用全套BOSCH电控共轨燃油系统,BOSCH电控共轨燃油系统组成由下图所示:

|
燃油粗滤器 |
5 |
电控单元ECU |
9 |
喷油器总成 |
13 |
进气温度压力传感器 | |
|
2 |
燃油油箱 |
6 |
共轨压力传感器 |
10 |
凸轮轴信号传感器 |
14 |
冷却液温度传感器 |
|
3 |
燃油细滤器 |
7 |
油轨 |
11 |
曲轴转速传感器 |
|
|
|
4 |
高压泵CP1H |
8 |
ECU线束部件 |
12 |
油门踏板传感器 |
|
|
道依茨EDC16电控系统工作过程:高压泵(集成低压油泵)将燃油从油箱抽出,经过燃油粗滤器(1)、燃油细滤器(2)到达高压油泵(4),高压油泵将燃油通过高压油管(红色管路)打入共轨(7)通过共轨“蓄积”成为高压,等待ECU命令开启喷油器电磁阀进行喷油。共轨上有一个压力传感器(6),ECU可以通过它了解当前的轨压,然后采取措施进行调节控制,使之平衡在一个我们设定的压力环境下工作;同共轨压力传感器一样,道依茨发动机上所有的传感器都是ECU获取道依茨发动机信息的唯一渠道,这些传感器分别是:测量道依茨发动机转速的曲轴转速传感器(11);判断道依茨发动机相位的凸轮轴位置传感器(10);测量道依茨发动机环境温度的冷却液温度传感器(14);进气温度压力传感器(13)和油门踏板传感器(12)。通过这些传感器,ECU可以清楚地知道道依茨发动机的工作状态,可以根据传感器的信息了解道依茨发动机工作的温度气压环境参数,并且针对环境的不同做出相应的补偿(冷启动补偿,高原补偿),这些补偿包括提前角,轨压,喷油量的补偿;另外还可以对某些恶劣条件或道依茨发动机出现故障时做出必要的保护和限制(如道依茨发动机过热保护,道依茨发动机烟度限制等)。传感器的准确与否直接影响道依茨发动机的性能。
CA4DC2电控道依茨发动机技术参数
|
道依茨发动机型号 |
CA4DC2-10E3 |
CA4DC2-12E3 |
|
缸径 mm |
98 | |
|
行程mm |
105 | |
|
缸套形式 |
干缸套 | |
|
气门数/缸 |
2 | |
|
气缸数 |
4 | |
|
缸心距mm |
110 | |
|
排量L |
3.168 | |
|
排放水平 |
国III(GB17691-1999中2005年标准) | |
|
净功率 kW/r/min |
76±5%/3200 |
88±5%/3200 |
|
最大扭矩/转速 N.m/r/min |
245/1900~2100 |
320/1900~2100 |
|
额定功率油耗 g/kw.h≤ |
245±2% |
245±2% |
|
外特性最低油耗 g/kw.h≤ |
215±2% |
215±2% |
|
噪声≤dBA |
115 |
115 |
|
可靠性耐久性目标 |
B10寿命30万公里 | |
2. 道依茨电子控制单元(ECU)

道依茨ECU针脚定义
|
针号 |
定 义 |
针号 |
定 义 |
|
道依茨发动机端 A | |||
|
A01 |
3缸喷油器“电位高” |
A31 |
2缸喷油器“电位低” |
|
A02 |
2缸喷油器“电位高” |
A32 |
未使用 |
|
A03 |
未使用 |
A33 |
4缸喷油器“电位低” |
|
A04 |
未使用 |
A34 |
未使用 |
|
A05 |
未使用 |
A35 |
未使用 |
|
A06 |
未使用 |
A36 |
未使用 |
|
A07 |
曲轴速度传感器,屏蔽 |
A37 |
未使用 |
|
A08 |
轨压传感器“地” |
A38 |
未使用 |
|
A09 |
未使用 |
A39 |
未使用 |
|
A10 |
未使用 |
A40 |
进气压力温度传感器压力"信号" |
|
A11 |
凸轮轴传感器"信号正" |
A41 |
冷却液温度传感器"地" |
|
A12 |
曲轴速度传感器"信号负" |
A42 |
未使用 |
|
A13 |
进气压力传感器"正" |
A43 |
轨压传感器"信号" |
|
A14 |
未使用 |
A44 |
未使用 |
|
A15 |
未使用 |
A45 |
未使用 |
|
A16 |
1缸喷油器“电位高” |
A46 |
3缸喷油器“电位低” |
|
A17 |
4缸喷油器“电位高” |
A47 |
1缸喷油器“电位低” |
|
A18 |
未使用 |
A48 |
未使用 |
|
A19 |
油量测量单元,电压"高" |
A49 |
燃油流量测量单元 LS |
|
A20 |
凸轮轴位置传感器信号,屏蔽 |
A50 |
凸轮轴位置传感器信号 |
|
A21 |
未使用 |
A51 |
未使用 |
|
A22 |
未使用 |
A52 |
未使用 |
|
A23 |
进气压力传感器"地" |
A53 |
进气压力温度传感器温度"信号" |
|
A24 |
未使用 |
A54 |
未使用 |
|
A25 |
未使用 |
A55 |
未使用 |
|
A26 |
未使用 |
A56 |
未使用 |
|
A27 |
曲轴速度传感器"信号正" |
A57 |
未使用 |
|
A28 |
轨压传感器“正” |
A58 |
冷却液温度传感器"信号" |
|
A29 |
未使用 |
A59 |
未使用 |
|
A30 |
未使用 |
A60 |
未使用 |
|
针号 |
定 义 |
针号 |
定 义 |
|
整车端 K | |||
|
K01 |
电瓶正 |
K48 |
道依茨发动机转速输出信号 |
|
K02 |
电瓶负 |
K49 |
未使用 |
|
K03 |
电瓶正 |
K50 |
未使用 |
|
K04 |
电瓶负 |
K51 |
未使用 |
|
K05 |
电瓶正 |
K52 |
未使用 |
|
K06 |
电瓶负 |
K53 |
未使用 |
|
K07 |
未使用 |
K54 |
空调请求开关“On/Off” |
|
K08 |
油门踏板位置传感器2"负" |
K55 |
未使用 |
|
K09 |
油门踏板位置传感器1"信号" |
K56 |
巡航控制器,"设置/加速" |
|
K10 |
未使用 |
K57 |
未使用 |
|
K11 |
未使用 |
K58 |
离合开关信号 |
|
K12 |
未使用 |
K59 |
未使用 |
|
K13 |
未使用 |
K60 |
未使用 |
|
K14 |
未使用 |
K61 |
未使用 |
|
K15 |
未使用 |
K62 |
未使用 |
|
K16 |
未使用 |
K63 |
未使用 |
|
K17 |
主刹车开关信号 |
K64 |
未使用 |
|
K18 |
未使用 |
K65 |
未使用 |
|
K19 |
未使用 |
K66 |
排气制动开关信号 |
|
K20 |
未使用 |
K67 |
未使用 |
|
K21 |
未使用 |
K68 |
道依茨发动机启动准许输出信号 |
|
K22 |
未使用 |
K69 |
未使用 |
|
K23 |
未使用 |
K70 |
空调继电器 |
|
K24 |
未使用 |
K71 |
系统诊断灯 |
|
K25 |
通讯接口1(K-Line) |
K72 |
主继电器 |
|
K26 |
未使用 |
K73 |
未使用 |
|
K27 |
未使用 |
K74 |
未使用 |
|
K28 |
T15(开关到BAT+) |
K75 |
车速传感器输入信号 |
|
K29 |
未使用 |
K76 |
未使用 |
|
K30 |
油门踏板位置传感器1"负" |
K77 |
巡航控制器,"OFF" |
|
K31 |
油门踏板位置传感器2"信号" |
K78 |
巡航控制器,"设置/加速" |
|
K32 |
未使用 |
K79 |
未使用 |
|
K33 |
未使用 |
K80 |
辅助刹车开关信号 |
|
K34 |
未使用 |
K81 |
未使用 |
|
K35 |
未使用 |
K82 |
未使用 |
|
K36 |
未使用 |
K83 |
未使用 |
|
K37 |
未使用 |
K84 |
未使用 |
|
K38 |
巡航控制器,"恢复" |
K85 |
未使用 |
|
K39 |
未使用 |
K86 |
未使用 |
|
K40 |
油水分离器“水位信号” |
K87 |
未使, 用 |
|
K41 |
未使用 |
K88 |
未使用 |
|
K42 |
道依茨发动机起动开关 |
K89 |
未使用 |
|
K43 |
未使用 |
K90 |
未使用 |
|
K44 |
未使用 |
K91 |
未使用 |
|
K45 |
油门踏板位置传感器1"正" |
K92 |
预热指示灯 |
|
K46 |
油门踏板位置传感器2"正" |
K93 |
预热继电器 |
|
K47 |
未使用 |
K94 |
故障指示灯 |
3.道依茨传感器及针脚定义
3.1道依茨冷却液温度传感器(NTC)
向ECU提供道依茨发动机冷却液/燃油温度信号,敏感原件为负温度系数的热敏电阻式(NTC)。


与ECU连接 传感器引脚
温度传感器特性
针脚:A58(信号),A41(地);测量范围:
道依茨冷却液温度传感器的检测
1、点火开关打到”OFF”,拔下传感器接插件,将点火开关打到”ON”,测量传感器接插件1脚与搭铁间电压是否在4.9V~5.1V范围内。如果测量结果不正确,则应检查电瓶是否供电正常,或出现了ECU输出电压不正常的状况,或线束出现断路或接触不良等状况。测量传感器电阻,并记录;
2、测量传感器接插件2脚与搭铁之间是否导通,如果不导通则应检查线束是否断路或接触不良;
3、点火开关打到”OFF”,插上传感器接插件,拔下ECU上的A端线束接插件,找到对应的A58与A41,测量它们之间的传感器电阻,若测得结果与步骤1测得结果偏差较大,则说明线束出现故障的可能性较大。根据当时的温度情况查找传感器电阻温度对照表,若实测的电阻值与理论值出入较大,则传感器出故障的可能性较大!
冷却水(燃油)温度传感器温度与阻止的对应关系见下表:
|
温度 t |
阻值R |
温度 t |
阻值R |
温度 t |
阻值R |
|
(℃) |
(kΩ) |
(℃) |
(kΩ) |
(℃) |
(kΩ) |
|
-40 |
40.49~50.14 |
25 |
1.94~2.17 |
90 |
0.24~0.25 |
|
-30 |
23.58~28.65 |
30 |
1.62~1.80 |
100 |
0.18~0.19 |
|
-20 |
14.10~16.83 |
40 |
1.12~1.23 |
110 |
0.14~0.15 |
|
-10 |
8.64~10.15 |
50 |
0.80~0.87 |
120 | ,,
0.11~0.12 |
|
0 |
5.47~6.23 |
60 |
0.57~0.62 |
130 |
0.086~0.093 |
|
10 |
3.54~4.04 |
70 |
0.42~0.45 |
140 |
0.068~0.074 |
|
20 |
2.35~2.65 |
80 |
0.31~0.33 |
3.2道依茨进气压力温度传感器(LDF6T)
进气压力温度传感器向ECU提供道依茨发动机中冷后的进气温度和进气压力信息。压力敏感原件为硅膜片式,温度敏感元件为负温度系数的热敏电阻式(NTC)


与ECU连接 传感器引脚
针脚: A23(正),A40(进气压力信号),A23(负),A53(进气温度信号)
测量范围(压力):0.5bar~4bar;输出信号: 0.5V~4.5V;测量范围(温度):
道依茨进气压力温度传感器的检测
1、当怀疑进气压力温传感器有问题时,首先检查传感器的电源(3脚),地(1脚)是否正常。方法是:先点火开关打到“OFF”,拔下进气压力温度传感器接插件,再将点火开关打到“ON”,测量线束接插件对应上图的3脚和1脚间的电压是否正常(大约4.5V左右),若电压不正常,则需将点火开关打到“OFF”,拔下ECU上A端接插件,检查从A端到进气压力温度传感器接插件的对应导线是否正常导通。
2、对于进气压力温度传感器的检测可以分成对温度传感器和对压力传感器两部分。温度部分传感器的主要组成部分是负温度系数电阻,可以先测量传感器1,2针脚间的电阻,然后查下表得出温度值,若与当时的实际温度值偏差较大,则温度传感器发生故障。
|
温度t(℃) |
电阻Ω |
温度t(℃) |
电阻Ω | ||||
|
最小 |
标称 |
最大 |
最小 |
标称 |
最大 | ||
|
-40±1 |
42661 |
48153 |
54224 |
50±1 |
792.27 |
851.10 |
913.45 |
|
-35±1 |
31810 |
35763 |
40118 |
55±1 |
671.90 |
720.65 |
772.28 |
|
-30±1 |
23976 |
26855 |
30015 |
60±1 |
571.72 |
612.27 |
655.16 |
|
-25±1 |
18258 |
20376 |
22695 |
65±1 |
488.07 |
521.91 |
557.67 |
|
-20±1 |
14039 |
15614 |
17333 |
70±1 |
417.98 |
466.33 |
476.24 |
|
-15±1 |
10895 |
12078 |
13365 |
75±1 |
359.08 |
382.89 |
407.99 |
|
-10±1 |
8529.5 |
9426.0 |
10399 |
80±1 |
309.41 |
329.48 |
350.61 |
|
-5±1 |
6733.5 |
7419.0 |
8161.4 |
85±1 |
267.40 |
284.06 |
302.22 |
|
-0±1 |
5358.1 |
5886.7 |
6457.8 |
90±1 |
231.76 |
246.15 |
261.27 |
|
5±1 |
4295.9 |
4706.9 |
5149.8 |
95±1 |
201.44 |
213.68 |
226.53 |
|
10±1 |
3469.2 |
3791.1 |
4137.3 |
100±1 |
175.52 |
186.00 |
196.95 |
|
15±1 |
2820.9 |
3074.9 |
3347.5 |
105±1 |
153.18 |
162.35 |
171.88 |
|
20±1 |
2308.8 |
2510.6 |
2726.8 |
110±1 |
134.04 |
142.08 |
150.43 |
|
25±1 |
1904.0 |
2062.9 |
2235.6 |
115±1<, /P> |
117.59 |
124.66 |
132.00 |
|
30±1 |
1586.1 |
1715.4 |
1853.1 |
120±1 |
103.42 |
109.66 |
116.12 |
|
35±1 |
1326.3 |
1431.8 |
1544.1 |
125±1 |
91.18 |
96.68 |
102.39 |
|
40±1 |
1113.0 |
1199.6 |
1291.5 |
130±1 |
80.58 |
85.45 |
90.51 |
|
45±1 |
937.41 |
1008.6 |
1084.2 |
|
|
|
|
3、对于传感器压力部分的检测,由于传感器内部集成了整形补偿电路,所以不能用万用表测量4脚与其它脚间的电阻值。因为用万用表测量电阻时,万用表本身会对被测电路施加一个电压,有可能将传感器内部的整形补偿电路击穿,造成传感器损坏!
压力传感器实测压力与输出电压对应关系如下图:

3.3道依茨曲轴转速传感器(DG6磁电式)


与ECU连接 传感器引脚
检查道依茨发动机转速传感器电阻:测量传感器连接器中1号触针与2号触针间的电阻,约860Ω
针脚:A27(信号),A12(信号负),A07(屏蔽);测量范围:50rpm~4000 rpm
3.4道依茨凸轮位置传感器(PG3.8霍尔式)


与ECU的连接 传感器引脚
测量范围50~4000rpm 线圈电阻约860Ω
针脚: 为三针霍尔传感器,通过线束与ECU道依茨发动机端A11(5V+),A50(singnal),A20(-)
道依茨曲轴转速传感器和凸轮轴位置传感器的检测
1、凸轮轴位置传感器和曲轴转速传感器属于信号发生传感器,检测主要是看它们能否正确的发出信号,还有它们发出的信号是否同步。为使传感器信号相位正确,必须保证传感器的机械安装精度,以及传感器与信号盘的间隙在技术要求范围内。如条件允许可使用信号示波器看两个信号是否同步。
2、凸轮轴位置传感器1(A 11)脚,2(A 50)脚,曲轴转速传感器1(A 27)脚,2(A 12)脚,测量1,2脚间的阻值应在1kΩ左右,若阻值过小,则传感器内部电磁线圈可能短路。这两个传感器属于磁电式传感器内部有永久磁铁,如果取下存放时要避免在铁质货架上存放,可以在木质货架上保存以避免消磁。另外,传感器还容易吸附铁屑,要及时清除以免影响传感器的精度!
3、如果两个传感器同时出现故障,则道依茨发动机无法点火。如果只是凸轮轴位置传感器失效,则ECU会自动判别缸序,起动时可能会感觉道依茨发动机起动较慢并有轻微抖动,但起动之后道依茨发动机的运转将恢复正常。对于CA4DC2电控道依茨发动机来说,如果只是曲轴转速传感器失效,由于凸轮轴传感器只有1个齿,只具备确定一缸上止点功能,将无法启动道依茨发动机。
3.5道依茨共轨压力传感器


与ECU的连接 传感器引脚
共轨压力传感器向ECU提供共轨中燃油压力信息。通过线束与ECU道依茨发动机端A28(5V+),A43(singnal),A08(-);测量范围:0~180Mpa;供电电压:5V;输出电压:0.5~4.6V
注意事项:共轨压力传感器安装在油轨上,在装配过程中有严格的装配工艺要求,严禁私自拆卸。
道依茨共轨压力传感器的检测
1、 检查传感器的电源电压。测量传感器连接器中触针3和1间的电压,应在4.75~5.25V。
2、 检查是否存在开路。分别测量ECU针脚与连接器触针A28与3,A43与2,A08与1之间的电阻,电阻应小于10Ω。
3、 检查传感器各导线是否短路接地。
3.6道依茨机油压力传感器(可选)


机油压力传感器向ECU提供道依茨发动机机油压力信息。压力敏感原件为压电式。
测量范围:0.0~10.0bar;供电电压:5V;针脚:A13(正),A51(负),A56(信号)
测量范围:0bar~10bar;输出信号:0.5V~4.5V
道依茨机油压力传感器的检测

道依茨机油压力传感器实测压力与输出电压对照表
|
压力(bar) |
环境温度 | |
|
|
| |
|
电压 U(V) | ||
|
p<0 |
0.3~0.6 |
0.3~0.7 |
|
0 |
0.4~0.6 |
0.3~0.7 |
|
2 |
1.2~1.4 |
1.1~1.5 |
|
4 |
2.0~2.2 |
1.9~2.3 |
|
6 |
2.8~3.0 |
2.7~3.1 |
|
8 |
3.6~3.8 |
3.5~3.9 |
|
10 |
4.4~4.6 |
4.3~4.7 |
|
p>10 |
4.4~4.7 |
4.3~4.7 |
1、机油压力传感器压力与输出电压成线性关系,压力从0到10 bar,输出电压从0.5到4.5伏。判定故障方法:先点火开关打到“OFF”,拔下机油压力传感器线束插头,再将点火开关打到“ON”,测定其插头的1脚(A13)与搭铁间电压是否为输入电压(大约为4.5V),2脚(A51)与搭铁间的电压是否为零,如果测量结果偏差较大,则说明线束状态有问题,或是ECU的输出电压有问题。
2、因为传感器内部集成了信号处理电路,所以不能用万用表测量传感器电阻,以防万用表对电路施加的电压将传感器信号处理电路击穿!
3.7道依茨油门踏板位置传感器

引脚:K09(信号1),K45信号1正),K30(信号1地);K31(信号2),K31(信号2地),K08(信号正);
输出信号:0.5V~4.5V
道依茨油门踏板位置传感器的检测
1、油门踏板传感器属于双电位器传感器,共有六个引脚,定义如下:

|
针 号 |
说 明 |
颜 色 |
针 号 |
说 明 |
颜 色 |
|
A |
信号1“正” |
红 |
D |
信号2“正” |
白 |
|
B |
信号1输出信号 |
绿 |
E |
信号2输出信号 |
橙 |
|
C |
信号1“负” |
黑 |
F |
信号2“负” |
灰 |
2、点火开关打到“OFF”,拔下与油门踏板对接的线束插件,分别检查k45(与A脚对应)和K46(与D脚对应)与搭铁间的电压是否为4.5V左右,K30(与C脚对应)和K08(与F脚对应)与搭铁之间是否导通;若实测值有偏差,则应检查ECU输出电压,或线束是否正常连通。
油门位置与输出电压对应关系如下图:

3、当油门踏板传感器失, 效时,ECU会自动执行“跛行功能”,怠速会稳定在1200rpm左右,保证司机把车开到维修站。
3.8道依茨线束
在点火开关关闭(开关处于”OFF”),确保系统断电的情况下,拔下ECU上整车端插头,再将点火开关打到”ON”,并测量K28脚与K02或K04或K06间的电压是否与电瓶电压相同!如果不等,则需要根据线路图,检查线路是否正常导通!
4. 道依茨ECU和喷油器电磁阀
1、道依茨发动机电控系统本身工作可靠,一般不易发生故障,常见故障为机械故障,诊断过程中,禁止使用大功率仪器,避免对电控单元( ECU )产生无线电干扰;
2、检测 ECU 的电源线、搭铁线是否良好,连接插头是否正常;
3、拔下ECU A和K端连接插头,查看其内部是否有锈蚀、触针是否弯曲。如果上述检测一切正常,可以更换一台新的ECU来确定ECU是否有故障;
4、ECU属于精密电子元件,禁止私拆ECU!
5、喷油器电磁阀的电磁线圈的电阻值大概为0.9Ω左右,如果小于0.4Ω,则电磁线圈可能短路。
5. 道依茨故障诊断代码分析
|
序号 |
博世 |
启明 |
故障描述 |
故障原因分析 |
故障处理方法 |
故障发生时ECU采取的保护措施 |
|
1 |
680 |
P0647 |
空调功率级与电源短路 |
1.空调继电器线束ECU端对电源短路 |
1.检查空调继电器线束 |
空调不能正常工作 |
|
2 |
693 |
P0646 |
空调功率级与地短路 |
1.空调继电器线束ECU端对地短路 |
1.检查空调继电器线束 |
空调不能正常工作 |
|
3 |
694 |
P0645 |
空调功率级没有负载 |
1.空调继电器没有连接 |
1.检查空调继电器是否安装 |
空调不能正常工作 |
|
4 |
697 |
P0645 |
空调功率级温度过高 |
|
|
|
|
5 |
16 |
P060B |
ADC参考电压的高信号范围检测错误 |
ECU内部数模监测模块故障 |
更换ECU |
提高怠速,限制扭矩 |
|
6 |
17 |
P060B |
ADC参考电压的低信号范围检测错误 |
ECU内部数模监测模块故障 |
更换ECU |
提高怠速,限制扭矩 |
|
7 |
20 |
P060B |
ADC监控测试脉冲错误 |
ECU内部数模监测模块故障 |
更换ECU |
提高怠速,限制扭矩 |
|
8 |
24 |
P060B |
ADC队列错误 |
ECU内部数模监测模块故障 |
更换ECU |
提高怠速,限制扭矩 |
|
9 |
235 |
P0123 |
油门踏板传感器1电压高于上限 |
1.油门踏板线束故障,油门踏板信号1(K09)对电源短路 |
1.检查油门踏板线束1 |
油门替代值为0%,怠速提升至1000rpm |
|
10 |
237 |
P0122 |
油门踏板传感器1电压低于下限 |
1.油门踏板线束故障,油门踏板信号1(K09)断路或对地短路 |
1.检查油门踏板线束1 |
油门替代值为0%,怠速提升至1000rpm |
|
11 |
668 |
P2135 |
与油门踏板传感器2校验不正确 |
1.油门踏板线束故障 |
1.检查油门踏板线束 |
油门替代值为0%,怠速提升至1000rpm |
|
12 |
250 |
P0223 |
油门踏板传感器2电压高于上限 |
1.油门踏板线束故障,油门踏板信号2(K31)对电源短路 |
1.检查油门踏板线束2 |
油门替代值为0%,怠速提升至1000rpm |
|
13 |
251 |
P0222 |
油门踏板传感器2电压低于下限 |
1.油门踏板线束故障,油门踏板信号2(K31)断路或对地短路 |
1.检查油门踏板线束2 |
油门替代值为0%,怠速提升至1000rpm |
|
14 |
72 |
P2135 |
与油门踏板传感器1校验不正确 |
1.油门踏板线束故障 |
1.检查油门踏板线束 |
油门替代值为0%,怠速提升至1000rpm |
|
15 |
319 |
P2229 |
大气压力传感器电压高于上限 |
ECU故障 |
更换ECU |
限制扭矩 |
|
16 |
322 |
P2228 |
大气压力传感器电压低于下限 |
ECU故障 |
更换ECU |
限制扭矩 |
|
17 |
355 |
P2299 |
油门踏板和制动之间真实性故障,油门踏板信号可能不可信 |
1.刹车信号故障 |
1.检查刹车开关(主刹车开关和辅助刹车开关),是否刹车开关位置不合理?更换刹车开关。 |
踩油门不起作用,怠速提高到1000rpm |
|
18 |
691 |
P0402 |
废气再循环恒定正调节器偏差高于上限 |
|
|
|
|
19 |
692 |
P0401 |
废气再循环恒定负调节器偏差低于下限 |
|
|
|
|
20 |
1172 |
P0069 |
大气压力传感器可能不可信 |
ECU内大气压力传感器故障 |
更换ECU |
限制扭矩 |
|
21 |
538 |
P0238 |
增压压力传感器电压高于上限 |
1.进气温度压力传感器中进气压力信号对电源短路 |
1.检查整车线束中进气压力信号线 |
1.限制扭矩 |
|
22 |
539 |
P0237 |
增压压力传感器电压低于下限 |
1.进气温度压力传感器中进气压力信号对地短路 |
1.检查整车线束中进气压力信号线 |
1.限制扭矩 |
|
23 |
540 |
P0235 |
增压压力传感器CAN信号缺陷 |
1.进气压力CAN信号缺失 |
1.检查CAN线 |
1.限制扭矩 |
|
24 |
542 |
P0563 |
电瓶电压高于上限 |
电瓶电压过高 |
检查电瓶电压是否高于16V,检查供电线路;更换电瓶。 |
ECU不能正常工作 |
|
25 |
543 |
P0562 |
电瓶电压低于下限 |
电瓶电压过低 |
检查电瓶电压是否低于7.2V,检查供电线路;更换电瓶。 |
ECU不能正常工作 |
|
26 |
699 |
P0504 |
制动信号不可信 |
1.主、辅刹车信号校验故障 |
1.检查在踩下和松开刹车踏板时,主刹车信号、辅助刹车信号是否正常工作,是否能够同步(不踩刹车情况下主刹车信号为常开,辅助刹车信号为常闭) |
无 |
|
27 |
14 |
P0118 |
冷却液温度传感器电压过高 |
1.水温传感器信号线对电源短路 |
1.检查水温传感器线束 |
1.道依茨发动机默认冷却液温度-25度(冷态);75度(暖态) |
|
28 |
15 |
P0117 |
冷却液温度传感器电压过低 |
1.水温传感器信号线对地短路 |
1.检查水温传感器线束 |
1.道依茨发动机默认冷却液温度-25度(冷态);75度(暖态) |
|
29 |
703 |
P1602 |
冷却液温度输出信号对地短路 |
仪表盘没有水温输出 |
检查仪表盘与ECU水温输出相关线束连接 |
无 |
|
30 |
1394 |
P0116 |
冷却液温度在限定时间内没有达到最小温度 |
1.道依茨发动机过冷,不能够在正常时间内达到暖机 |
1.检查道依茨发动机冷却系统 |
限制扭矩 |
|
31 |
22 |
P0116 |
冷却液温度在限定时间内没有达到最小温升 |
1.道依茨发动机运行在特殊工况(如高原) |
1.无需处理,故障会自动消失 |
限制扭矩 |
|
32 |
32 |
P0856 |
DCS要求的物理特性不确定性 |
|
|
|
|
33 |
1216 |
P |
压力试验的故障 |
|
|
|
|
34 |
1654 |
P1605 |
转速表与电源短路 |
输出给仪表的转速信号线束对电源短路 |
检查仪表和对应的转速输入信号线束 |
无 |
|
35 |
1656 |
P1607 |
转速表没有负载 |
输出给仪表的转速信号线束对地短路 |
检查仪表和对应的转速输入信号线束 |
无 |
|
36 |
1192 |
P1200 |
1缸经滤波后加电时间高于滤波通电时间上限 |
1.1缸喷油器线束故障 |
1.检查1缸喷油器线束有无破损烧蚀 |
无 |
|
37 |
1193 |
P1201 |
1缸经滤波后加电时间低于滤波通电时间下限 |
1.1缸喷油器线束故障 |
1.检查1缸喷油器线束有无破损烧蚀 |
无 |
|
38 |
1194 |
P1202 |
2缸经滤波后加电时间高于滤波通电时间上限 |
1.2缸喷油器线束故障 |
1.检查2缸喷油器线束有无破损烧蚀 |
无 |
|
39 |
1195 |
P1203 |
2缸经滤波后加电时间低于滤波通电时间下限 |
1.2缸喷油器线束故障 |
1.检查2缸喷油器线束有无破损烧蚀 |
无 |
|
40 |
1196 |
P1204 |
3缸经滤波后加电时间高于滤波通电时间上限 |
1.3缸喷油器线束故障 |
1.检查3缸喷油器线束有无破损烧蚀 |
无 |
|
41 |
1197 |
P1205 |
3缸经滤波后加电时间低于滤波通电时间下限 |
1.3缸喷油器线束故障 |
1.检查3缸喷油器线束有无破损烧蚀 |
无 |
|
42 |
1198 |
P1206 |
4缸经滤波后加电时间高于滤波通电时间上限 |
1.4缸喷油器线束故障 |
1.检查4缸喷油器线束有无破损烧蚀 |
无 |
|
43 |
1199 |
P1207 |
4缸经滤波后加电时间低于滤波通电时间下限 |
1.4缸喷油器线束故障 |
1.检查4缸喷油器线束有无破损烧蚀 |
无 |
|
44 |
1200 |
P1208 |
5缸经滤波后加电时间高于滤波通电时间上限 |
1.5缸喷油器线束故障 |
1.检查5缸喷油器线束有无破损烧蚀 |
无 |
|
45 |
1201 |
P1209 |
5缸经滤波后加电时间低于滤波通电时间下限 |
1.5缸喷油器线束故障 |
1.检查5缸喷油器线束有无破损烧蚀 |
无 |
|
46 |
1202 |
P |
6缸经滤波后加电时间高于滤波通电时间上限 |
1.6缸喷油器线束故障 |
1.检查6缸喷油器线束有无破损烧蚀 |
无 |
|
47 |
1203 |
P120B |
6缸经滤波后加电时间低于滤波通电时间下限 |
1.6缸喷油器线束故障 |
1.检查6缸喷油器线束有无破损烧蚀 |
无 |
|
48 |
1204 |
P |
1缸标定喷射的时间高于通电时间上限 |
1.1缸喷油器线束故障 |
1.检查1缸喷油器线束有无破损烧蚀 |
无 |
|
49 |
1205 |
P120D |
1缸标定喷射的时间低于通电时间下限 |
1.2缸喷油器线束故障 |
1.检查2缸喷油器线束有无破损烧蚀 |
无 |
|
50 |
1206 |
P120E |
2缸标定喷射的时间高于通电时间上限, |
1.2缸喷油器线束故障 |
1.检查2缸喷油器线束有无破损烧蚀 |
无 |
|
51 |
1207 |
P |
2缸标定喷射的时间低于通电时间下限 |
1.4缸喷油器线束故障 |
1.检查4缸喷油器线束有无破损烧蚀 |
无 |
|
52 |
1208 |
P1210 |
3缸标定喷射的时间高于通电时间上限 |
1.3缸喷油器线束故障 |
1.检查3缸喷油器线束有无破损烧蚀 |
无 |
|
53 |
1209 |
P1211 |
3缸标定喷射的时间低于通电时间下限 |
1.6缸喷油器线束故障 |
1.检查6缸喷油器线束有无破损烧蚀 |
无 |
|
54 |
1210 |
P1212 |
4缸标定喷射的时间高于通电时间上限 |
1.4缸喷油器线束故障 |
1.检查4缸喷油器线束有无破损烧蚀 |
无 |
|
55 |
1211 |
P1213 |
4缸标定喷射的时间低于通电时间下限 |
1.4缸喷油器线束故障 |
1.检查4缸喷油器线束有无破损烧蚀 |
无 |
|
56 |
1212 |
P1214 |
5缸标定喷射的时间高于通电时间上限 |
1.5缸喷油器线束故障 |
1.检查5缸喷油器线束有无破损烧蚀 |
无 |
|
57 |
1213 |
P1215 |
5缸标定喷射的时间低于通电时间下限 |
1.5缸喷油器线束故障 |
1.检查5缸喷油器线束有无破损烧蚀 |
无 |
|
58 |
1214 |
P1216 |
6缸标定喷射的时间高于通电时间上限 |
1.6缸喷油器线束故障 |
1.检查6缸喷油器线束有无破损烧蚀 |
无 |
|
59 |
1215 |
P1217 |
6缸标定喷射的时间低于通电时间下限 |
1.6缸喷油器线束故障 |
1.检查6缸喷油器线束有无破损烧蚀 |
无 |
|
60 |
99 |
P0340 |
没有凸轮轴信号 |
1.凸轮轴传感器线束故障 |
1.检查凸轮轴传感器线束 |
1.限制扭矩 |
|
61 |
100 |
P0341 |
错误的凸轮轴信号 |
1.凸轮轴传感器线束故障 |
1.检查凸轮轴传感器线束 |
1.限制扭矩 |
|
62 |
103 |
P0335 |
没有曲轴信号 |
1.曲轴转速传感器线束故障 |
1.检查曲轴传感器线束,是否有短路断路情况,看看是否周围有与之平行的干扰源 |
道依茨发动机不能起动,不能正常工作 |
|
63 |
104 |
P0336 |
错误的曲轴信号 |
1.曲轴转速传感器线束故障 |
1.检查曲轴传感器线束,是否有短路断路情况,看看是否周围有与之平行的干扰源 |
道依茨发动机不能起动,不能正常工作 |
|
64 |
105 |
P0016 |
凸轮轴与曲轴信号间出现相位差 |
1.凸轮轴或曲轴线束存在干扰源 |
1.检查相应线束周围有无干扰源 |
道依茨发动机不能正常工作,道依茨发动机停机 |
|
65 |
109 |
P1007 |
不可信性故障 |
ECU故障 |
更换ECU |
无 |
|
66 |
1173 |
P2267 |
燃油含水量超标 |
1.燃油含水量超标 |
1.通过滤清器下端的放水阀进行放水 |
油水分离器指示灯报警 |
|
67 |
1217 |
P2264 |
油水分离传感器不正常工作 |
1.油水分离器连接线束有问题 |
1.检查油水分离器连接线束 |
无 |
|
68 |
246 |
P0384 |
进气预热继电器与电源短路 |
1.进气预热继电器ECU端(K93)与电源短路 |
1.检查继电器到ECU线束 |
进气预热无法正常工作 |
|
69 |
247 |
P0383 |
进气预热继电器与地短路 |
1.进气预热继电器ECU端(K93)对地短路 |
1.检查继电器到ECU线束 |
进气预热无法正常工作 |
|
70 |
248 |
P0670 |
进气预热继电器没有负载 |
1.进气预热继电器线束开路 |
1.检查继电器到ECU线束 |
进气预热无法正常工作 |
|
71 |
249 |
P0670 |
进气预热继电器温度过高 |
进气预热继电器线束故障或者进气预热继电器故障 |
1.检查继电器到ECU线束 |
进气预热无法正常工作 |
|
72 |
261 |
P1608 |
进气预热指示灯与电源短路 |
1.进气预热指示灯(K92)对电源短路 |
1.检查进气预热指示灯线束 |
进气预热指示灯无法正常工作 |
|
73 |
262 |
P1609 |
进气预热指示灯与地短路 |
1.进气预热指示灯(K92)对地短路 |
1.检查进气预热指示灯线束 |
进气预热指示灯无法正常工作 |
|
74 |
264 |
P |
进气预热指示灯没有负载 |
1.进气预热指示灯线束断路 |
1.检查进气预热指示灯线束 |
进气预热指示灯无法正常工作 |
|
75 |
265 |
P160B |
进气预热指示灯温度过高 |
1.进气预热指示灯线束故障 |
1.检查进气预热指示灯线束 |
进气预热指示灯无法正常工作 |
|
76 |
568 |
P0380 |
预热塞失效,继电器失效,电热塞内部短路,过流 |
无 |
无 |
无 |
|
77 |
569 |
P0382 |
欲热塞内部短路,过流,继电器卡住 |
无 |
无 |
无 |
|
78 |
279 |
P |
CJ940通信故障 |
1.CJ940通信故障 |
更换ECU |
无 |
|
79 |
280 |
P |
EEPROM在最后一次读操作中发生的错误 |
1.ECU主继电器断电前强制断电 |
1.用诊断仪清空故障 |
无 |
|
80 |
281 |
P |
EEPROM在最后一次写操作中发生的错误 |
1.ECU主继电器断电前强制断电 |
1.用诊断仪清空故障 |
无 |
|
81 |
282 |
P |
EEPROM使用了缺省值 |
1.ECU主继电器断电前强制断电 |
1.用诊断仪清空故障 |
无 |
|
82 |
283 |
P0607 |
锁定项发生了Recovery |
ECU故障 |
1.用诊断仪清空故障 |
无 |
|
83 |
284 |
P0607 |
禁止项发生了Recovery |
ECU故障 |
1.用诊断仪清空故障 |
无 |
|
84 |
285 |
P0607 |
可见项发生了Recovery |
ECU故障 |
1.用诊断仪清空故障 |
无 |
|
85 |
286 |
P1607 |
CJ940内部供电电压过高 |
ECU故障 |
1.用诊断仪清空故障 |
无 |
|
86 |
287 |
P1608 |
CJ940内部供电电压过低 |
ECU故障 |
1.用诊断仪清空故障 |
无 |
|
87 |
1240 |
P |
高压泵高压测试使轨压监测无效 |
1.燃油中有气体 |
1.检查漏点,排气。 |
道依茨发动机不能起动或起动后熄火 |
|
88 |
288 |
P0098 |
进气温度传感器电压高于上限 |
1.进气温度压力传感器中进气温度信号对电源短路 |
1.检查线束 |
限制扭矩 |
|
89 |
289 |
P0097 |
进气温度传感器电压低于下限 |
1.进气温度压力传感器中进气温度信号对地短路 |
1.检查线束 |
限, 制扭矩 |
|
90 |
298 |
P1203 |
bank1短路引起停机 |
1.道依茨发动机端喷油器线束对电源短路 |
1.检查道依茨发动机端喷油器线束 |
停机 |
|
91 |
579 |
P1204 |
bank1低端对地短路引起停机 |
1.道依茨发动机端喷油器线束对地短路 |
1.检查道依茨发动机端喷油器线束 |
停机 |
|
92 |
580 |
P1206 |
bank1喷油器线束电阻超标引起停机 |
1.喷油器线束电阻超标 |
1.检查道依茨发动机端线束 |
停机 |
|
93 |
300 |
P120B |
Bank2短路引起停机 |
1.道依茨发动机端喷油器线束对电源短路 |
1.检查道依茨发动机端喷油器线束 |
停机 |
|
94 |
585 |
P |
Bank2低端对地短路引起停机 |
1.道依茨发动机端喷油器线束对地短路 |
1.检查道依茨发动机端喷油器线束 |
停机 |
|
95 |
586 |
P120E |
Bank2喷油器线束电阻超标引起停机 |
1.喷油器线束电阻超标 |
1.检查道依茨发动机端线束 |
停机 |
|
96 |
591 |
P062B |
CY33X内部复位/时钟丢失/电压低 |
ECU故障 |
更换ECU |
停机 |
|
97 |
592 |
P062B |
CY33X未被锁定/CY33X开关错误 |
ECU故障 |
更换ECU |
停机 |
|
98 |
593 |
P062B |
CY33X在测试模式下 |
ECU故障 |
更换ECU |
停机 |
|
99 |
594 |
P062B |
CY33XSPI通信错误/校验和/回读 |
ECU故障 |
更换ECU |
停机 |
|
100 |
595 |
P062B |
CY33X内部奇偶错误 |
ECU故障 |
更换ECU |
停机 |
|
101 |
596 |
P062B |
CY33X内部程序流错误 |
ECU故障 |
更换ECU |
停机 |
|
102 |
597 |
P062B |
CY33X在ON失败时校验inv. YSEL |
ECU故障 |
更换ECU |
停机 |
|
103 |
598 |
P062B |
CY33X在ON时至少一缸超时 |
ECU故障 |
更换ECU |
停机 |
|
104 |
599 |
P0262 |
1缸低端对电源短路,喷油器线路电压太高 |
1缸喷油器线束对电源短路 |
检查1缸喷油器线束和喷油器 |
停机 |
|
105 |
305 |
P0261 |
1缸低端对高端短路,喷油器线路电压太低 |
1缸喷油器电磁阀两根线束之间短路 |
检查1缸喷油器线束和喷油器 |
停机 |
|
106 |
601 |
P0263 |
1缸运转不良 |
1缸喷油器线束或喷油器故障 |
检查1缸喷油器线束和喷油器 |
停机 |
|
107 |
604 |
P0201 |
1缸喷油器信号开路 |
1缸喷油器线束没有插好或者线束断路 |
检查1缸喷油器线束 |
限扭矩 |
|
108 |
607 |
P0265 |
2缸低端对电源短路,喷油器线路电压太高 |
2缸喷油器线束对电源短路 |
检查2缸喷油器线束和喷油器 |
停机 |
|
109 |
608 |
P0266 |
2缸取决于应用 |
1缸喷油器电磁阀两根线束之间短路 |
检查1缸喷油器线束和喷油器 |
停机 |
|
110 |
306 |
P0264 |
2缸低端对高端短路,喷油器线路电压太低 |
2缸喷油器电磁阀两根线束之间短路 |
检查2缸喷油器线束和喷油器 |
停机 |
|
111 |
610 |
P0266 |
2缸运转不良 |
2缸喷油器线束或喷油器故障 |
检查2缸喷油器线束和喷油器 |
停机 |
|
112 |
613 |
P0202 |
2缸喷油器开路 |
2缸喷油器线束没有插好或者线束断路 |
检查2缸喷油器线束 |
限扭矩 |
|
113 |
615 |
P0268 |
3缸低端对电源短路,喷油器线路电压太高 |
3缸喷油器线束对电源短路 |
检查3缸喷油器线束和喷油器 |
停机 |
|
114 |
307 |
P0267 |
3缸低端对高端短路,喷油器线路电压太低 |
3缸喷油器电磁阀两根线束之间短路 |
检查3缸喷油器线束和喷油器 |
停机 |
|
115 |
617 |
P0269 |
3缸运转不良 |
3缸喷油器线束或喷油器故障 |
检查3缸喷油器线束和喷油器 |
停机 |
|
116 |
620 |
P0203 |
3缸喷油器开路 |
3缸喷油器线束没有插好或者线束断路 |
检查3缸喷油器线束 |
限扭矩 |
|
117 |
622 |
P0271 |
4缸低端对电源短路,喷油器线路电压太高 |
4缸喷油器线束对电源短路 |
检查4缸喷油器线束和喷油器 |
停机 |
|
118 |
308 |
P0270 |
4缸低端对高端短路,喷油器线路电压太低 |
4缸喷油器电磁阀两根线束之间短路 |
检查4缸喷油器线束和喷油器 |
停机 |
|
119 |
624 |
P0272 |
4缸运转不良 |
4缸喷油器线束或喷油器故障 |
检查4缸喷油器线束和喷油器 |
停机 |
|
120 |
627 |
P0204 |
4缸喷油器开路 |
4缸喷油器线束没有插好或者线束断路 |
检查4缸喷油器线束 |
限扭矩 |
|
121 |
629 |
P0274 |
5缸低端对电源短路,喷油器线路电压太高 |
5缸喷油器线束对电源短路 |
检查5缸喷油器线束和喷油器 |
停机 |
|
122 |
310 |
P0273 |
5缸低端对高端短路,喷油器线路电压太低 |
5缸喷油器电磁阀两根线束之间短路 |
检查5缸喷油器线束和喷油器 |
停机 |
|
123 |
631 |
P0275 |
5缸运转不良 |
5缸喷油器线束或喷油器故障 |
检查5缸喷油器线束和喷油器 |
停机 |
|
124 |
634 |
P0205 |
5缸喷油器开路 |
5缸喷油器线束没有插好或者线束断路 |
检查5缸喷油器线束 |
限扭矩 |
|
125 |
636 |
P0277 |
6缸低端对电源短路,喷油器线路电压太高 |
6缸喷油器线束对电源短路 |
检查6缸喷油器线束和喷油器 |
停机 |
|
126 |
311 |
P0276 |
6缸低端对高端短路,喷油器线路电压太低 |
6缸喷油器电磁阀两根线束之间短路 |
检查6缸喷油器线束和喷油器 |
停机 |
|
127 |
638 |
P0278 |
6缸运转不良 |
6缸喷油器线束或喷油器故障 |
检查6缸喷油器线束和喷油器 |
停机 |
|
128 |
641 |
P0206 |
6缸喷油器开路 |
6缸喷油器线束没有插好或者线束断路 |
检查6缸喷油器线束 |
限扭矩 |
|
129 |
356 |
P0687 |
主继电器没有按时断开 |
1.主继电器故障 |
1.检查ECU供电线束,检查主继电器,必要时更换 |
无 |
|
130 |
357 |
P0686 |
主继电器断开太早 |
1.主继电器故障 |
1.检查ECU供电线束,检查主继电器,必要时更换 |
无 |
|
131 |
1017 |
P0251 |
燃油计量装置输出控制线路失效 |
1.油泵控制线束开路 |
1.检查油泵控制线束 |
无法建立轨压,道依茨发动机无法正常工作 |
|
132 |
1020 |
P0252 |
燃油计量单元电路温度过高 |
1.油泵控制线束开路 |
1.检查油泵控制线束 |
无法建立轨压,道依茨发动机无法正常工作 |
|
133 |
1021 |
P0254 |
燃油计量单元输出对电源短路 |
1.油泵控制线束对电源短路 |
1.检查油泵控制线束 |
无法建立轨压,道依茨发动机无法正常工作 |
|
134 |
1022 |
P0253 |
燃油计量单元输出对地短路 |
1.油泵控制线束对地短路 |
1.检查油泵控制线束 |
无法建立轨压,道依茨发动机无法正常工作 |
|
135 |
358 |
P |
CY310的监视器与控制器之间的通讯管理的故障。该通道利用道依茨发动机的协调程序来处理可逆的关闭。如果监视器或者控制器的错误计数器是不可信的,抑或系统必须关闭的情况下置该位。 |
ECU监视器通信故障 |
1.用诊断仪清空故障 |
停机 |
|
136 |
366 |
P1613 |
通电时间超过超速监视的限制 |
倒拖时喷油 |
1.用诊断仪清空故障 |
无 |
|
137 |
370 |
P1614 |
可能在道依茨发动机速度检查中存在错误 |
倒拖速度检测故障 |
1.用诊断仪清空故障 |
无 |
|
138 |
2397 |
P0299 |
PCR偏差永久正调节器偏差过高 |
|
|
|
|
139 |
2398 |
P0234 |
PCR偏差永久负调节器偏差不足 |
|
|
|
|
140 |
671 |
P0193 |
轨压电压高于上限 |
1。轨压传感器线束故障 |
1.检查轨压传感器线束 |
限制扭矩 |
|
141 |
672 |
P0192 |
轨压电压低于下限 |
1。轨压传感器线束故障 |
1.检查轨压传感器线束 |
限制扭矩 |
|
142 |
1119 |
P0191 |
RPS原始值高于最大偏移量 |
1.油路问题 |
1.检查油路有无漏点,更换燃油滤清器 |
限制扭矩、停机 |
|
143 |
1120 |
P0194 |
RPS原始值低于最小偏移量 |
1.油路问题 |
1.检查油路有无漏点,更换燃油滤清器 |
限制扭矩、停机 |
|
144 |
1121 |
P1011 |
计量单元控制模块检测超出轨压最大正偏差 |
1.油路问题 |
1.检查低压油路是否压力过大 |
限制扭矩、停机 |
|
145 |
1122 |
P1012 |
计量单元控制模块检测超过设定的燃量流量后轨压正偏差过大 |
1.油路问题 |
1.检查低压油路是否压力过大 |
限制扭矩、停机 |
|
146 |
1123 |
P1013 |
计量单元控制模块检测超过设定的燃量流量和温度后轨压负偏差过大 |
1.油路问题 |
1.检查油路有无漏点,更换燃油滤清器 |
限制扭矩、停机 |
|
147 |
1124 |
P0087 |
计量单元控制模式超出轨压最小植 |
1.油路问题 |
1.检查油路 |
限制扭矩、停机 |
|
148 |
1125 |
P0088 |
计量单元控制模式超出轨压最大植 |
1.油路问题 |
1.检查油路 |
限制扭矩、停机 |
|
149 |
1280 |
P1615 |
在起动试验中使不点火检测失效的设定 |
|
|
|
|
150 |
425 |
P1616 |
初始化期间对于冗余的关闭通道测试,监视器开关关闭通道 |
shutoff通道初始化故障 |
更换ECU |
无 |
|
151 |
426 |
P1617 |
初始化期间对于冗余的关闭通道测试,压力监控过高关闭通道 |
shutoff通道初始化故障 |
更换ECU |
无 |
|
152 |
427 |
P1618 |
初始化期间对于冗余的关闭通道测试,压力监控过低关闭通道 |
shutoff通道初始化故障 |
更换ECU |
无 |
|
153 |
428 |
P0643 |
传感器供给电压1电压高于上限 |
(油门踏板1、凸轮轴转速)传感器供给电压高于上限 |
检查油门踏板、凸轮轴转速传感器及线束 |
提高怠速,或降功率 |
|
154 |
429 |
P0642 |
传感器供给电压1电压低于下限 |
(油门踏板1、凸轮轴转速)传感器供给电压低于下限 |
检查油门踏板、凸轮轴转速传感器及线束 |
提高怠速,或降功率 |
|
155 |
430 |
P0653 |
传感器供给电压2电压高于上限 |
(油门踏板2、轨压)传感器供给电压高于上限 |
检查油门踏板、轨压传感器及线束 |
提高怠速,或降功率 |
|
156 |
431 |
P0652 |
传感器供给电压2电压低于下限 |
(油门踏板2、轨压)传感器供给电压低于下限 |
检查油门踏板、轨压传感器及线束 |
提高怠速,或降功率 |
|
157 |
432 |
P0699 |
传感器供给电压3电压高于上限 |
进气压力传感器供给电压高于上限 |
检查油门踏板、进气温度压力传感器及线束 |
提高怠速,或降功率 |
|
158 |
433 |
P0698 |
传感器供给电压3电压低于下限 |
进气压力传感器供给电压低于下限 |
检查油门踏板、进气温度压力传感器及线束 |
提高怠速,或降功率 |
|
159 |
446 |
P1619 |
系统诊断灯短路到电源 |
故障指示灯对电源短路 |
检查故障指示灯线束 |
无 |
|
160 |
447 |
P |
系统诊断灯短路到地 |
故障指示灯对地短路 |
检查故障指示灯线束 |
无 |
|
161 |
448 |
P161B |
系统诊断灯无负载 |
故障指示灯没有连接 |
检查故障指示灯线束 |
无 |
|
162 |
449 |
P |
系统诊断灯电路温度过高 |
故障指示灯电路故障 |
检查故障指示灯线束 |
无 |
|
163 |
452 |
P2533 |
检测不到 T15 端口信号 |
ECU检测不到点火开关信号 |
检查ECU供电线束(K28 |
无法启动 |
|
164 |
454 |
P0607 |
TPU与系统时间之间有偏差 |
ECU时钟故障 |
更换ECU |
无 |
|
165 |
471 |
P0503 |
车速超过最大植 |
1.整车线束信号干扰 |
1.检查整车线束 |
无 |
|
166 |
472 |
P0500 |
车速传感器HW信号无效 |
1.车速传感器线束故障 |
1.检查车速传感器线束 |
无 |
|
167 |
688 |
P0501 |
与喷油量和道依茨发动机速度相比较车速传感器信号是不可信的 |
1.车速传感器没连接 |
1.检查车速传感器线束 |
无 |
|
168 |
689 |
P161D |
数据变量译码的信号故障 |
ECU数据故障 |
更换ECU |
无法运行 |
|
169 |
690 |
P161E |
不可信性故障 |
ECU数据故障 |
更换ECU |
无法运行 |
|
170 |
480 |
P0607 |
如果SPI通信失败,置位 |
ECU数据故障 |
更换ECU |
无法运行 |