发电机原理与维修技术
一、发电原理
1.发电机原理
(1)发动机带动发电机内部转子旋转,产生旋转磁场。
(2)磁场外发电机壳体(铁芯)上固定有3组线圈(3相定子绕组),3相绕组彼此相隔120°。
(3)当转子旋转时,旋转的磁场使固定的电枢绕组中通过的磁通量发生变化,而在定子电枢绕组中产生三相感应电动势。

一、发电机原理当发电机的转子绕组中通入直流电时,产生磁场,转子在发动机的带动下旋转,定子绕组切割转子磁场感应三相交流电动势。

发电机整流器的作用:
将定子绕组的三相交流电变为直流电;由于蓄电池具有电容的功能,故输出的直流电压波形较平坦。 在发电机空载运行时,忽略三相绕组和整流器的电阻压降,直流电动势约为:U=2.34Eφ(Eφ为相电动势)。

1.交流发电机定子的三相绕组中,感应产生的是交流电,靠六只二极管组成的三相桥式整流电路变为直流电的。
2.二极管具有单向导电性,当给二极管加上正向电压时,二极管导通, 当给二极管加上反向电压时,二极管截止。

3. 发电机二极管的导通原则如下:
(1)正极二极管因三只二极管负极端相连,故正极端电位最高者导通;
(2)负极二极管因三只二极管正极端相连,故负极端电位最低者导通。
(3)但一般地,同时导通的管子总是两个,正、负管子各一个。

发电机中性点电压的概念(见图)在定子绕组为星形连接时,三相绕组的公共结点称为中性点,从三相绕组的中性点引一根导线到发电机外,标记为“N”。
中性点对发电机外壳(搭铁)之间的电压Un称为中性点电压,是通过三个负极管整流后得到的直流电压(即三相半波整流)
中性点电压为发电机输出电压的一半。
发电机中性点电压的用途
中心点电压常用来控制各种用处的继电器(如磁场继电器、充电指示灯继电器等)
增大功率输出
发电机中性点电压1

带有中性抽头的交流发电机
三、发电机励磁方法
1.励磁:将电源引入到磁场绕组使之产生磁场的过程称为励磁。
2.方式:交流发电机励磁方式有自励和他励两种。
(1)他励:交流发电机开始发电时,因三极管死区电压的存在,需先由蓄电池供给励磁电流(他励阶段)。
(2)自励:当发电机电压达到蓄电池电压时,即由发电机自己供给励磁电流,即由他励转为自励。
(3)他励的优点:由蓄电池励磁可以较快进入自励状态。
汽车用发电机在刚开始发电时,转子绕组由蓄电池供电产生磁场,属于他励;待发电机旋转起来,输出电压高于蓄电池电压时,发电机向磁场绕组供电,励磁方式由他励变为自励。
发电机励磁原理演示

发电机他励过程
在发动机起动期间,需要蓄电池供给发电机磁场电流生磁使发电机发电。
发电机自励过程:
随转速提高,发电机电动势逐渐升高并对外输出电能(一般怠速时发电机就能对外供电)。当发电机能对外供电时,就可以把自身发的电供给磁场绕组生磁发电。
发电机总工作原理
(3)发电机工作过程
发动机起动时,发电机电压(为0)<蓄电池电压,整流二极管截止,发电机不输出电流,由蓄电池供给磁场电流(他励)。路径:蓄电池+→点火开关→充电指示灯→调节器→磁场绕组→搭铁→蓄电池-。充电指示灯亮。当发动机转速升高到怠速及以上时,
发电机自励。UB=UD+,充电指示灯两端压降为零,灯熄灭,若没有熄灭,说明发电机有故障或充电指示灯电路有搭铁。

发电机充电指示灯的控制电路
目前国内外大多数汽车上,均装有充电指示灯(属于报警装置),用来监测充电系统的工作情况。一般情况下,当接通点火开关时,充电指示灯亮,而当发动机起动后,交流发电机正常工作时,充电指示灯熄灭(只有极个别的车型例外,如天津大发)。因此,当发动机正常工作时,充电指示灯突然发亮,则表示充电系统有故障。提醒驾驶员注意及时维修。
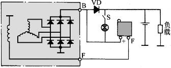
二、利用三极管控制充电指示灯(如沃尔沃)
1.当点火开关S闭合时,励磁电路如下(他励):蓄电池正极→点火开关S→充电指示灯→调节器→发电机励磁绕组→搭铁。这时,充电指示灯亮。

2.当发动机起动后,发电机的输出电压高于蓄电池的电动势,二极管VD导通,同时,VD将充电指示灯短路,充电指示灯熄灭,表示发电机正常工作。蓄电池的充电电路为:发电机的火线接线柱B→VD→蓄电池正极。 励磁电路为(自励):发电机的火线接线柱B→调节器→发电机励磁绕组→搭铁。

各接线柱的简单介绍:
B+:为蓄电池充电,为车上的用电器提供电流。
L:充电指示灯端,无输出功能,无激磁功能。W(R):相输出端,输出14~17V交流电,可作为转速表信号,可接交流继电器。
如需24V输出用来驱动起动机保护继电器和空调保护继电器,可通过在3个W端上安装二极管组件的方法实现。

发电机配置不合理的影响
q 蓄电池亏电,致使发动机起动困难、蓄电池使用寿命大大缩短。
q 空调风机输出能力下降,用户产生抱怨。
q 蓄电池因亏电成为发电机的负载,对发电机的保护功能下降,极易造成发电机及车辆其他电器损坏。
q 造成电涡流缓速器工作不正常,产生事故隐患。
q 整车故障率上升,影响车辆正常使用,使客户的经济利益受损。
较易忽视的几个问题
一、发电机B+输出导线到空调、蓄电池负载线径偏细。
二、双线制发电机的负极导线的线径偏细。
外接引线配置不合理产生高热

发电机接线方式不合理 造成正极引线短路

发电机接线正确、牢固,导线应垂直于地面。

发电机拆装及车辆进行电焊加工时,必须断开电瓶及发电机连线。同时避免异物进入发电机。
发电机同排气管之间安装隔热板

皮带长度选用不合理 加剧发电机的振动 无法保证其正常使用

风扇叶片碎裂未及时发现造成发电机内部器件烧毁

发动机舱内含油空气浓度较高造成发电机卡死

发电机后端面通风孔被异物封堵

滑环室长时间没有及时清理造成短路

发电机轴承内圈因长期不转和振动出现磕痕,不使用无电瓶发电机时,应将发电机拆下保存,或使发电机保持运转。

皮带轮未打紧使风扇松动磨损

皮带轮未打紧将转子损坏

非正常拆卸造成转子螺纹损坏

水管与发电机风扇距离过近

定期的发电机保养可有效的“降低故障率,降低运营成本”。
q 早发现
q 早报告
q 早隔离
q 早治疗
——发电机的保养
发电机为什么需要保养
q 皮带传递的扭矩大,皮带磨损较快,磨擦产生较大的热量会直接影响轴承使用寿命。
q 客车上的用电器功率较大,线路中过电流大,导线易老化,接线片易氧化。
q 由于发电机输出功率大,产生的热量也大,需要良好的散热条件,因此需要保证发电机零部件表面清洁。
q 柴油发动机的振动较汽油发动机大,接线柱螺栓及接线较易松动。使用环境比较恶劣,一次使用时间较长,不可预料的不良环境因素较多,需及时发现和处理。
q 出现问题早发现早处理,可以大大降低客户的使用成本,提高整车的使用安全性。
如何对发电机进行保养
q 发动机怠速时发电机的转速是否合理。
q 检查发电机的所有紧固件,复紧。
q 清除发电机内外部件油污和灰尘以利散热。
q 我公司绝大部分发电机轴承均为重型轴承,免保养、免维护,如果出现枯油磨擦声则更换轴承。检查电刷的的磨损量清理碳粉。
q 检查发电机各端子导线状况是否正常,清理接线端子及接片氧化表面
保养的分类
q 例行保养:以清洁检查为主,目的是清理电机的油污灰尘,及时发现安装及接线等外部隐患,保障电机及用电器的正常运行。——皮带、风扇、紧固件、外接导线、导风管、真空泵等。
q 拆分保养:
q 部分拆分保养:打开电机后挡盖或护罩,拆下电刷及整流组件等部件,进行必要的保养。主要是对电机内部清洁检查、更换易损件,一般是和空调一起保养。将发电机从车上拆下时记住各连接引线的接线位置;发电机的安装方式、附件的装配位置;安装螺栓要成套放好。
q , ; 完全拆分保养:将发电机完全解体进行保养。
什么时间进行发电机保养
q 车辆每行驶2个月或2万Km,应对发电机进行一次例行保养。(简称:例行保养二二一)
q 另外,由于大功率发电机的主要工作对象是车用空调等大功耗用电器,受它们的影响最大。因此应在开空调前,(大部分地区为4、5月份),将发电机从车上卸下进行拆分保养。
q 部分拆分保养:电机每运行10万Km、恶劣环境下使用1年或一般条件下使用2年进行一次。
q 完全拆分保养:电机每运行20万Km,恶劣环境下使用2年或一般条件下使用3年进行一次。
发电机维护保养的注意事项
q 电机重新装配时,螺钉螺母必须拧紧,插接件插实,皮带轮打紧,导线接实。
q 电瓶的质量:发动机工作后,检查电瓶与发电机的端电压差应小于0.5V(考虑线路老化及接点损耗,允许电压差1V);充电电流从大(30~50A)到小(10A以内),电瓶工作良好。
q 发电机外接引线是否严重老化(导线绝缘材料脆化脱落),引线与接片连结处是否氧化,负极引线对地阻值是否为零。
q 发电机的安装支架及张紧拉板是否有损伤,发电机安装后是否晃动,皮带轮槽中心是否对正;皮带是否使用正确及磨损是否严重。
q 发电机安装完毕后,检查与周围是否有干涉,特别注意的是绝对禁止将发动机油气管与发电机引线固定在一起。
发电机故障的简单判断
车辆上发电机故障判断原则:先外后内、先易后难
首先检查发电机外接线——松脱/搭铁/错接。
再而检查发电机皮带——打滑/断裂/焦化。
测量电瓶电压——电瓶短路/断路损坏。
车辆钥匙开至仪表监测档位置,此时用万用表直流电压档检查发电机输出端电压,应为25V左右,及充电指示灯端电压,应为1~2V。
起动发动机,关闭车用负载,用一条串有2W—6W指示灯的导线跨接发电机B+输出端及充电指示灯端,观察指示灯亮灭情况,同时用万用表直流电压表档测量输出电压,测量结果应为27—28V。
逐渐增加车辆负载至全负载,电压应有所下降,合理配置的电压应在27V以上,个别情况容许下降至26V。在负载增加时,如发电机输出电压下降幅度较大时,用万用表直流电压档测量相端电压,正常值应为发电机额定电压的50%,否则说明发电机定子线圈短路
发动机怠速时充电指示灯亮,高速时熄灭的故障判断
第一步:检查皮带是否工作正常。
第二步:检查蓄电池电压是否正常,满电时电压应在25V以上。如电压较低,充电或更换蓄电池。
第三步:断开车上的充电指示灯线,用一条串有2W—6W指示灯的导线跨接发电机B+输出端及充电指示灯端,起动发动机,此时充电指示灯应熄灭。说明发电机正常,而是车上的充电指示灯功率小或导线过细或过长造成的。
康明斯6BT5.9发动机温度高什么原因,康明斯发动机故障代码,